[返回列表.]    [免费下载畅易手机版APP ]

用户 海平 **当前提问:新科雷傲电路图

新科雷傲电路图

.尊敬的用户您好,资料库内有16年科雷傲的线路图,但该资料不是现成电子档,需要从后台资料系统里提取,资料信息庞大,提取处理时间长,请说明具体需要哪一部分,客服人员才能处理完毕并回复您。客服暂时处理了发动机部分的线路图,请下载附件。给您带来不便,请谅解!.16年雷诺科雷傲发动机电路图

附件:4349736323468.rar

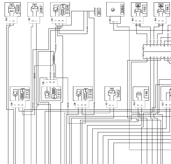
我需要前面大灯和日行灯的电路图

我需要前面大灯和日行灯的电路图

.尊敬的用户,欢迎你使用在线客服,全车灯光已处理好了,请下载附件,如有疑问,欢迎和我们联系!.16年科雷傲灯光线路图

附件:7175701283908.rar


用户 海平 ***其他客服问题:
test:
  启程D60EV智能钥匙天线3安装位置.. 启程D60EV20-电机
  现代格越全景天窗线路图.. 现代格越2015-2.2T
  音响主机和功放线路图.. 现代格越2015-2.2T
  后驱动电机的电路图,高压系统的电路图.. 零跑零跑C112022-暂无[暂无** ]
  配电和电池管理电路图.. 宾利汽车Continental GTC Speed [欧陆 GTC Speed]6.0T 手自一体2009-CKH(6.0)[SCBCF63W69** ]
  我需要网络通讯的电路图,平台里面是经过处.. 上海通用汽车SGM6531UAAF2017年-LCV[LSGUA8476H** ]
以下是东风相关车型的客服问题,希望对您有帮助
 2010年日产奇骏发动机电路图和电脑针脚图..东风汽车有限公司DFL6460VECF 2010-10 QR25 2.5L [LGBM2DE42A**]
 ABS电脑端子图..东风雪铁龙世嘉 2010 N6A10XA3APSA [LDCC13L36A**]
 你好, 求一份2020年东风风神奕炫全车电路图..东风风神奕炫 2020 11 [11**]
 发动机电路图 02ss..东风雪铁龙 C4L 2014 EC8 [.**]
 起亚K2油表线路图 平台上12年的不一样..东风悦达起亚K2 14年6月 G4FA [LJDLAA191E**]
 发动机线路和防盗线路 ..东风小康汽车有限公司风光330 2016年9月 DK12-07 [LVZA42F94G**]
 本田CRV 发动机电脑端子图 和全车通讯线路图..东风本田思威【CRV】 2014/ 10 R20A7 [LVHRM1816E**]
 05款悦达起亚赛拉图自动空调电路图,发动机..东风悦达起亚赛拉图 05年 G4GB [LJDDAA2375**]
 东风本田思伯睿气襄电路门冬..东风本田思伯睿 2017年9月 R20ZB [LVHCU5636H**]
 17年东风L60发动机电路图 资料库特别模糊。..东风风神L60 2017 DC7183LKAM [LDCC33Y23H**]
 雪铁龙世嘉遥控锁车与防盗故障..东风雪铁龙世嘉 08 N6A 10XA3A PSA [LDCC41L398**]
 发动机故障码0994 ..东风标致牌408 2010 N6A 10XA3A PSA [LDC943L26A**]

Copyright @ 2009 www.car388.com All rights reserved. 蜀ICP备12014226号-2 增值电信增值业务许可证:川B2-20190647 服务电话:028-87038205 87039205 87020205 川公网安备 51010502010015号 公司地址:成都市龙泉驿区经开区南二路309号 鼎峰动力港 企业办公总部基地 12栋
2025-01-17.-.V25VHTML-2025-V18-11-5---2-