[返回列表.]    [免费下载畅易手机版APP ]

用户 haoaici **当前提问:奔驰电路图

奔驰电路图

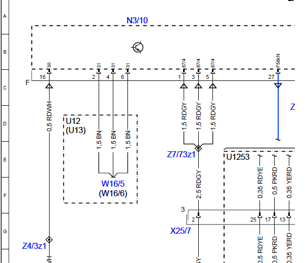
.尊敬的用户,您好,奔驰的资料没有更新到平台上,需要从后台资料系统里一页一页提取,不是现成电子版资料,资料信息庞大,提取处理时间长,请告知客服具体所需部分,客服好针对性的给您提取资料!另外您目前提供的车型信息,客服无法为您查找资料,请补充该车车架号信息,以便客服查找,客服暂时为您处理了2016年C200发动机电路图,请下载附件,给您带来不便,请谅解!.2016年奔驰C200发动机电路图

附件:6496737389777.rar


用户 haoaici ***其他客服问题:
test:
  北汽EU5故障码 C14087与C10087的故障码与定义.. 北汽新能源EU52019-无[LNBSCC4H8K** ]
  本田CRV车身电脑线路图(不是混动)2018年.. 东风本田CRV2018-无[LVHRW1817J** ]
  广汽三菱奕歌.. 三菱奕歌19-1.5[LL67GAF05J** ]
  零跑C01线路图维修手册.. 零跑C012022-1.5
以下是奔驰相关车型的客服问题,希望对您有帮助
 查一下这车气囊电脑的电路图..奔驰C180 2017 1 [LE4WG4AB6H**]
 奔驰GL550电子排挡杆到变速箱电脑的线路图..奔驰奔驰GL550 2013 278
 高压车载电网燃爆保险丝位置和电瓶位置..奔驰GLS450 2020 256 930 [W1NFF5KE6L**]
 機油濾芯座螺絲扭力,進氣歧管螺絲扭力..奔驰 C 260 2011 271 860 [WDDGF4HB3D**]
 前雨刮电机控制线路图 ..奔驰B200 2018 不知道 [WDDMH4DB8J**]
 辅助蓄电池在什么位置..奔驰B200 2018 不知道 [WDDMH4DB8J**]
 奔驰ML320 电动尾门不工作 需要电路图..奔驰ML320 2014 276 [WDCDA6CB5F**]
 奔驰642故障码108800的含义以及维修指导和相关..奔驰ML350 12 3.0T柴油 [4JGBF2FEXC**]
 这个车的ESP系统电路图..奔驰暂无 2001 暂无 [WDC1641221**]
 帮忙查下尾门气动解锁系统..奔驰slr55 2004 113 992 [WDBSK74F14**]
 故障码 凸轮轴位置调节连续错误 匹配之后1..奔驰ML450 08 164底盘
 转向灯电路图 模块位置图 N10位置图..奔驰ML350 2012年 WU [WDCDA5HB4C**]

Copyright @ 2009 www.car388.com All rights reserved. 蜀ICP备12014226号-2 增值电信增值业务许可证:川B2-20190647 服务电话:028-87038205 87039205 87020205 川公网安备 51010502010015号 公司地址:成都市龙泉驿区经开区南二路309号 鼎峰动力港 企业办公总部基地 12栋
2025-01-17.-.V25VHTML-2025-