[返回列表.]    [免费下载畅易手机版APP ]

用户 普宁 **当前提问:07年酷路泽波箱线路图

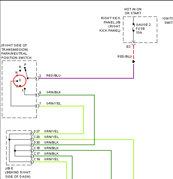
07年酷路泽波箱线路图

.尊敬的用户,欢迎你使用在线客服,你的问题客服人员已为你处理完毕,请下载附件,如有疑问,欢迎和我们联系!07年酷路泽变速箱线路图.

附件:2822739058905.rar

D电磁阀是那个

.尊敬的用户,欢迎你使用在线客服,你的问题客服人员已为你处理完毕,请下载附件,如有疑问,欢迎和我们联系!.

附件:4387739057396.rar


用户 普宁 ***其他客服问题:
test:
  福克斯灯光线路图.. 长安福特福克斯2014.03-C6[LVSHCFDB4E** ]
  11年丰田卡罗拉CVT波箱线路图 系统上的对不上.. 天津一汽丰田汽车有限公司卡罗拉2011-2ZR[LFMARE2C5B** ]
  E-CVT变速箱电脑线路图.. 别克君越16-LKN[LSGZJ5WC6H** ]
  保险丝和继电器说明.. 路虎发现2011.11-306DT/2.993L/180KW[SALAN2F4XC** ]
  车身电脑针脚定义.. 日产骊威2013-HR16[LGBK42E09F** ]
  FX35尾盖锁电路图 尾盖电脑插头7号脚是空脚 .. 英菲尼迪FX352008-3.5[JNKAS15F99** ]
以下是丰田相关车型的客服问题,希望对您有帮助
 仪表板接线盒总成端子图..丰田RAV4 2014.5 6ZR [LFMK440F0E**]
 18年丰田塞纳启动电路图..丰田塞纳 18 2GR [5TDDZ3DC9J**]
 雷克萨斯570的电路图为什么看不到?..丰田LX570 2007 3UZ
 丰田Rav4发动机平衡轴安装方法..丰田RAV4 10面 2zr
 分动箱内部结构图..丰田兰德酷路泽 2008年11月 1GR [JTMHU09J29**]
 轮胎扭力..丰田汽车RX450h 2.5 无级 四驱畅享版 2023 A25B-FXS(2.5) [JTJCFMGACR**]
 05年丰田4500ABS系统资料,主要是线跑图和部件..丰田4500 05年 4500
 P0365故障码解释..丰田普拉多 2010 1GR-FE [LFMGJE72XA**]
 防盗电路图,要PDF格式的..丰田霸道 2008 2TR-FE [JTEBL29JX8**]
 RAV4空调电路图..丰田RAV4 2009.10 2AZ [LFMJW30F69**]
 防盗系统电路图要中文版的不是英文版的..丰田兰德酷路泽 2003 2UZFE32 [JTEHT05J50**]
 发动机电脑针脚图..丰田塞纳 2011 1 [5TDJK3DC9E**]

Copyright @ 2009 www.car388.com All rights reserved. 蜀ICP备12014226号-2 增值电信增值业务许可证:川B2-20190647 服务电话:028-87038205 87039205 87020205 川公网安备 51010502010015号 公司地址:成都市龙泉驿区经开区南二路309号 鼎峰动力港 企业办公总部基地 12栋
2025-01-17.-.V25VHTML-2025-V18-11-5---2-