[返回列表.]    [免费下载畅易手机版APP ]

用户 13606781 **当前提问:车辆横摆率传感器

车辆横摆率传感器

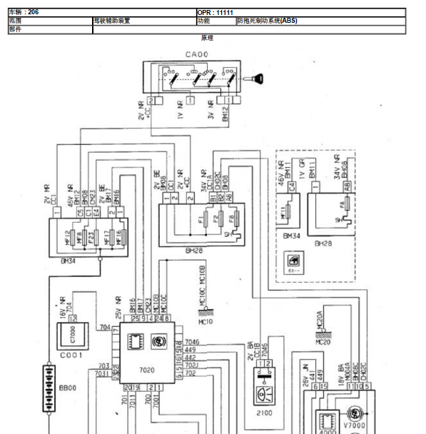
.尊敬的用户,欢迎你使用在线客服,非常抱歉资料库里该车没有横摆率传感器相关资料,客服人员已为你处理了ABS的线路图及手册,请下载附件。给您带来不便,请谅解!!.05年标致206CC ABS线路图

附件:5422789882214.rar

已评价:5星好评


用户 13606781 ***其他客服问题:
test:
  电子手刹模块装哪里的.. 吉利博越2017-1[1** ]
  发动机风扇电路图.. 本田雅阁2007-K24A8[LHGCM56707** ]
  主驾驶门窗的电路图.. 零跑C112022-1[1** ]
  10年欧宝安德拉雨刮喷水线路图,1301316329发到.. 欧宝安德拉2010- Z24SED [W0LLA63T4A** ]
  江淮瑞风发动机电脑板线路图,针脚图.. 江淮瑞风2010-HFC4GA3-B[LJ16AA331A** ]
  前部雷达的电路图.. 丰田卡罗拉2017-8ZR-FXE[LFMA180CXK** ]
以下是标志相关车型的客服问题,希望对您有帮助
 方向盘角度传感器电路图。和方向盘角度传感..标志308 2018 1.6 [LDC983T45J**]
 09进口款308空调电路图..标志308308 09 5FT [VF34U5FT59**]
 标志607发动机电脑线路图..标志607 01年 不知道 [VF39D3FZE1**]
 方向盘喇叭线路..标志1 13 1 [LDC953T27E**]
 发动机电路图..标志308CC 2011 年12月 ZY [LVSHFAAL5B**]
 标志308cc可折叠车顶线路图以及可折叠车顶模..标志308cc 08 1 [1**]
 标志308全车电路图,要全车的平台的不全..标志308 15 NFP
 电源管理模块电路图 ..标志3008 2013 10FJBZ PSA5F06 [LDCT81144D**]
 307ABS电路图38插..标志307 2007 10 N6A10XA3APSA [LDC933L397**]
 点火线圈电路图..标志3.7 2008年 PSARFN10LH3X [LDC933X277**]
 请提供此车的CAN K线通讯 电路 ,发动机电脑..标志206 2007 TU3AF [LDC611P2X7**]
 发动机电路图..标志307 2008 PSA RFN 10LH3X [LDC933X378**]

Copyright @ 2009 www.car388.com All rights reserved. 蜀ICP备12014226号-2 增值电信增值业务许可证:川B2-20190647 服务电话:028-87038205 87039205 87020205 川公网安备 51010502010015号 公司地址:成都市龙泉驿区经开区南二路309号 鼎峰动力港 企业办公总部基地 12栋
2025-01-17.-.V25VHTML-2025-