[返回列表.]    [免费下载畅易手机版APP ]

用户 CXJD0831 **当前提问:求12年长城H5电路图

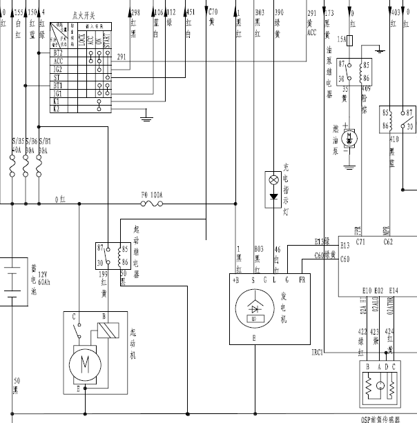
求12年长城H5电路图

.尊敬的用户,欢迎你使用在线客服,非常抱歉,资料库没有12年的资料,客服为你处理了13年的资料,请下载附件参考,如有疑问,欢迎和我们联系!.2013年长城H5电路图

附件:5804807232270.rar


用户 CXJD0831 ***其他客服问题:
  力帆820玻璃升降电路图.. 力帆LF71862016年-LFB479Q[LLV2A4A26G** ]
  无钥匙系统电路图.. 江铃陆风X52016-4A91T[L VXCAHBA3** ]
  07款帕萨特自动变速箱维修手册.. 大众SVW7183LJi2007-BGC[LSVDL29F57** ]
  组合仪表和窗控系统电路图.. 比亚迪思锐13-BYD476ZQA[LGXC16CF7D** ]
  网关装在哪里.. 别克GL82014-111[111111** ]
  力帆兴顺发动机ECU针脚图.. 力帆LF64202011-LF479Q5[LCN643F43B** ]
以下是长城相关车型的客服问题,希望对您有帮助
 空调里面的B142011诊断步骤..长城汽车炮2.0T 自动 商用版柴油四驱精英型长箱 2021 GW4D20M(2.0) [LGWDBF1A1M**]
 哈佛H5车身电脑电路图..长城汽车股份有限公司哈佛H5 10年9月 GW2.5TCL [LGWEFCA53A**]
 哈弗H1(Haval H1) 电路图 SS..长城哈弗H1 2017 0
 SB28,SB21保险位置,Ecu长电 在线路图哪个位..长城H6蓝标 2017 1 [1**]
 长城CUV油表电路图..长城CUV 2007 CW2.8TC-2 [LCWFFCA547**]
 4D20E发动机电路图..长城长城风骏5 2018-06-06 GWD20E [LGWCBC197J**]
 发动机针脚图..长城汽车H61.5GDIT 双离合 铂金都市版 2020 GW4B15A(1.5) [LGWEF5A58K**]
 正时..长城汽车坦克500 PHEV2.0T 手自一体 Hi4-T 2023 E20NA(2.0) [LGWFGUA62P**]
 完整的档位开关相关控制电路..长城H6 16 11 GW4G15B [LGWEF4A57G**]
 红标哈弗H2 求右后制动灯电路图 只看见高位..长城哈弗H2 2016/02 GW4G15B [LGWEE4A47G**]
 发动机电路图..长城 M2 2011 GW4G15 [LGWEE242BE**]
 19年哈弗H6空调压缩机控制电路图..长城哈弗H6 2019 GW4G15F [LGWEF4A55K**]

Copyright @ 2009 www.car388.com All rights reserved. 蜀ICP备12014226号-2 增值电信增值业务许可证:川B2-20190647 服务电话:028-87038205 87039205 87020205 川公网安备 51010502010015号 公司地址:成都市龙泉驿区经开区南二路309号 鼎峰动力港 企业办公总部基地 12栋
2025-05-10.-.V28**