[返回列表.]    [免费下载畅易手机版APP ]

用户 pangyu **当前提问:智能钥匙的电路01SS

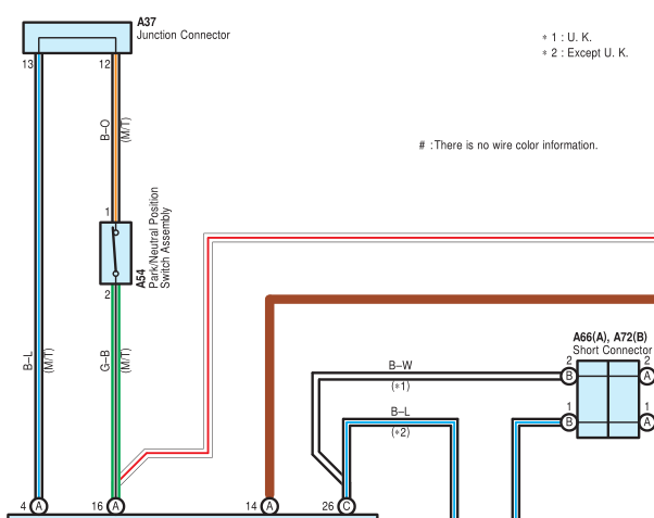
智能钥匙的电路01SS

.尊敬的用户,欢迎你使用在线客服,你的问题客服人员已为你处理完毕,请下载附件,如有疑问,欢迎和我们联系!12年丰田86智能钥匙电路图.

附件:7926816657416.rar


用户 pangyu ***其他客服问题:
test:
  喇叭电路图.. 国外 Toyota(丰田)Agya2017-.[.** ]
  全车维修手册ss.. 北京现代悦纳(Verna)2016/2017/2018- [ ** ]
  发动机电路图和针脚 01SS.. 雷克萨斯RX3001999-1MZ[.** ]
  空调系统电路图.. 国内 长城汽车哈弗H6S HEV2021/2022-.[.** ]
以下是丰田相关车型的客服问题,希望对您有帮助
 丰田凯美瑞 全车电路图..丰田GTM7200CGE 2018 6AR [LVGBM74K4J**]
 档位开关的电路图..丰田凯美瑞 2014 1AZ-FE
 17年丰田RAV4转向角传感器匹配方法有吗..丰田RAV4 2017 6ZR-FAE [LFMK440F2H**]
 LFMBE22D470096258..丰田 锐志丰田 锐志 2007 1 [LFMBE22D47**]
 组合仪表内报警器的线路图..丰田汽车ES2402.4 手自一体 特别限量版 2012 2AZ-FE(2.4) [JTHBW46G6C**]
 音响电路图和端子图..丰田汽车Land Cruiser [兰德酷路泽]5.7 自动 2009 3UR-FE(5.7) [JTMHY7AJ5B**]
 需要全车电路图..丰田tacoma 2010 xxx [xxx**]
 前点烟器电路,点烟器保险丝位置图..丰田大霸王 2012-03 2AZ [JTEGD54M7C**]
 B279A故障码..丰田锐志 05 5GR
 燃油泵电路图..丰田570 2013 3UZ [JTJHY00W5C**]
 13年坦途防盗系统、启动系统、发动机控制系..丰田坦途 2013 3UR
 巡航定速,安全气囊,电路图..丰田酷路泽ca6520u 2008 2uz [LFMGLK7468**]

Copyright @ 2009 www.car388.com All rights reserved. 蜀ICP备12014226号-2 增值电信增值业务许可证:川B2-20190647 服务电话:028-87038205 87039205 87020205 川公网安备 51010502010015号 公司地址:成都市龙泉驿区经开区南二路309号 鼎峰动力港 企业办公总部基地 12栋
2025-01-16.-.V25VHTML-2025-V18-11-5---2-