[返回列表.]    [免费下载畅易手机版APP ]

用户 吕玉 **当前提问:11年日产轩逸BCM电路图

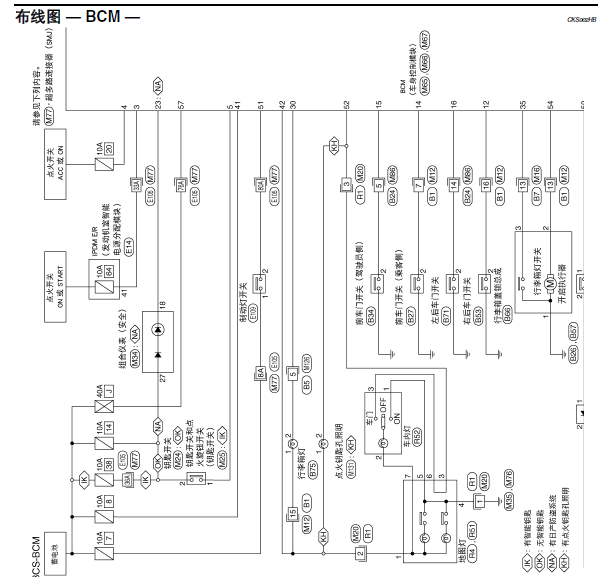
11年日产轩逸BCM电路图

.尊敬的用户,欢迎你使用在线客服,你的问题客服人员已为你处理完毕,请下载附件,如有疑问,欢迎和我们联系!.09年日产轩逸车身电路图

附件:3412821351983.rar


用户 吕玉 ***其他客服问题:
test:
  04年奔驰S220气囊系统电路图.. 奔驰S22004-s220
  11年阁瑞斯全车电路图.. 金杯阁瑞斯11-11年阁瑞斯黄牌[黄牌** ]
  您好!麻烦帮调个英菲尼迪方向锁、车身电脑.. 东风汽车Q50L2015年10月-274A[LGBW1PE0XF** ]
  依维科全车升降玻璃电路图!谢谢!.. 南京依维科11-柴油发动机
以下是日产相关车型的客服问题,希望对您有帮助
 轩逸P0014故障码,能发个解决方法..日产轩逸 2013 0
 正时..日产D22 2011 KA24 [LJNTGU2G5B**]
 2013年帕拉丁四门玻璃升降电路图和保险丝位..日产帕拉丁 2013 KA24 [999**]
 2005年日产风雅正时图及资料,请提供一下,..日产风雅 2005 VQ35 [JN1AY01E75**]
 发动机电脑插头针脚图..日产轩逸 2019 HR16 [LGBH92E02K**]
 2011年日产GTR的仪表电路图和插头针脚..日产GTR 2011 3.8T
 09款英菲尼迪FX35电子转向柱锁电路图 电源分..日产英菲尼迪 2009 VQ35 [JNKAS15F29**]
 C1185,C1A03,C1A14故障码资料..日产汽车QX502.5 手自一体 两驱优雅版 2013 VQ25HR(2.5) [JNKDJ05E9E**]
 诊断座在那..日产途乐 2002 0000
 智能模块,车身模块线路图和维修手册,有全..日产阳光N17 2011年 HR15DE [LGBP12E27B**]
 前氧传感器 插头 针脚 全部电路图 到电..东风日产轩逸 17.10 HRB16 [LGBH12E26H**]
 收音机供电,空调面板供电。保险盒位置..日产GT-RGT-R 2013-12 VR38 [JN1AR5EF1F**]

Copyright @ 2009 www.car388.com All rights reserved. 蜀ICP备12014226号-2 增值电信增值业务许可证:川B2-20190647 服务电话:028-87038205 87039205 87020205 川公网安备 51010502010015号 公司地址:成都市龙泉驿区经开区南二路309号 鼎峰动力港 企业办公总部基地 12栋
2025-01-16.-.V25VHTML-2025-V18-11-5---2-