[返回列表.]    [免费下载畅易手机版APP ]

用户 易扬 **当前提问:电子扇线路图

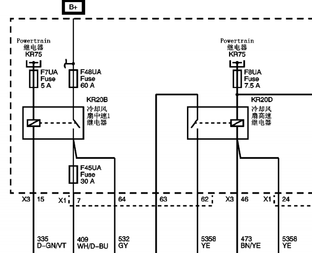
电子扇线路图

.尊敬的用户,欢迎你使用在线客服,你的问题客服人员已为你处理完毕,请下载附件,如有疑问,欢迎和我们联系!.2010年别克英朗风扇电路图

附件:7833850968829.rar

.尊敬的用户,欢迎你使用在线客服,你需要的资料在《畅易汽车维修技术支持平台》是有的,请直接登陆查询!查询方法:国内厂家 -> 上海别克-英朗(Excelle)-2010[ 维修手册/诊断 /电路图 ] -> 发动机/推进系统 -> 9.2 发动机冷却系统 -> 9.2.2 示意图和布线图 -> 9.2.2.1 发动机冷却系统示意图.2010年上海别克-英朗 电子风扇线路图


用户 易扬 ***其他客服问题:
test:
  倒车雷达线路图.. 标志3072009-n6a10xa3apsa[ldc933l239** ]
  刹车电位器匹配.. 别克林荫大道07-LP1[LSGEZ53T87** ]
  菲亚特菲翔自动波箱线路图.. 菲亚特菲翔2012-343B0027[LWVAA1567C** ]
  本田CR-V保险盒资料.. 本田CR-V2007-K24Z1[LVHRE48799** ]
  全车线路图.. 菲亚特菲跃2012-B[3C4PFABB2C** ]
  MG5发动机正时.. 名爵MG52014-15S4G[LSJA14U61E** ]
以下是别克相关车型的客服问题,希望对您有帮助
 安吉星的安装位置..别克君越 2010 LE5 [LSGGF53X6A**]
 09年别克君威大灯保险丝和继电器位置在哪里..别克君威 09年 LE5
 别克发动机君越电脑针脚图..别克SGM7205ATA 2009 LTD [LSGGA54Y19**]
 发动机充电系统示意图..别克荫朗 2010 2HO
 完整的大灯控制电路图(含大灯控制模块),..别克君威/君越 2011 LAF [LSGGF53W6B**]
 2010君威的导航仪拆装图有吗?有的话麻烦发..别克君威 2010 .
 帮我找一下这台别克的轮胎压力传感器位置03S..别克君威 2015 00
 变速箱电脑阀体图,电磁阀分配图..别克君威 2009 LE5 [LSGGA53X09**]
 发动机维修手册,波箱维修手册..别克昂科威 10 LLT [5GAKV7ED1B**]
 全车电路图..别克君越 2017 LFV 1.5L [LSGZJ5356H**]
 底盘总线电路图和走线图..别克英朗 2016 L2B [LSGKE52H2G**]
 10英朗车身电路图..别克英朗 10 第三方 [水电费**]

Copyright @ 2009 www.car388.com All rights reserved. 蜀ICP备12014226号-2 增值电信增值业务许可证:川B2-20190647 服务电话:028-87038205 87039205 87020205 川公网安备 51010502010015号 公司地址:成都市龙泉驿区经开区南二路309号 鼎峰动力港 企业办公总部基地 12栋
2025-01-16.-.V25VHTML-2025-V18-11-5---2-