[返回列表.]    [免费下载畅易手机版APP ]

用户 13870169 **当前提问:12年进口圣达菲2.4发动机电路图 进气

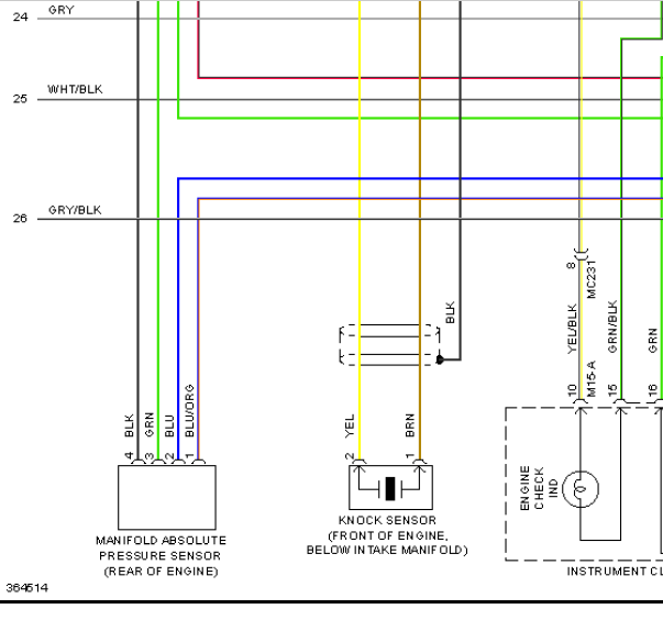
12年进口圣达菲2.4发动机电路图 进气压力传感器部分

.尊敬的用户,欢迎你使用在线客服,你的问题客服人员已为你处理完毕,请下载附件,如有疑问,欢迎和我们联系!.12年现代圣达菲发动机进气压力传感器

附件:8665874241740.rar

已评价:5星好评


用户 13870169 ***其他客服问题:
test:
  求12年JEEP指南者全车电路图,畅易上要用矢量.. JEEP指南者12-1
  11年圣达菲 驾驶员侧保险丝盒 背面G插头11号.. 现代圣达菲11-2.4
  06年捷豹S-TYPE 气囊部分电路图.. 捷豹S-TYPE06-3.0
  09年奔腾B50 空调自诊断定义 帮忙找一个 网站.. 一汽奔腾B5009-1.6
  11年进口圣达菲CD机部分电路图.. 现代圣达菲11-2.4
  19年轩逸天线安装位置图.. 东风日产轩逸19-HR16[LGBH52E06K** ]
以下是现代圣达菲相关车型的客服问题,希望对您有帮助
 收音机密码8316..奥迪2.4 2002 电器
 全车电路图..华泰特拉卡2.4汽油 11
 现代圣达菲转向灯系统电路图纸要中文的谢谢..现代圣达菲现代圣达菲 2006 g6ea [kmhsh81d46**]
 节气门和节气门怠速电机电路图..现代圣达菲现代圣达菲 06 2.7 [KMHSC81D06**]
 华晨金杯阁瑞斯发动机及空调系统电路图..金杯2.4 2005.10 4RB1 [LSYAAABB65**]
 急加油门时候要熄火,怠速正常,油耗很大,..本田雅阁2.4 03年 [LHGCM56764**]
 2.0柴油涡轮增压发动机的真空管路图及增压压..现代圣达菲圣达菲 2007 发动机
 我想查一下倒车雷达电路图,请帮查一下传给..现代圣达菲现你 05年4月出厂 汽油6缸
 清客服给一份08年的现代圣达菲的防盗盒和发..现代圣达菲SUV 2008年8月 G6EA 2.7 [KMHSH81D39**]
 现代圣达菲大修后报故障码 P0011 A进气凸轮..现代圣达菲圣达菲 09 12 G4KE [KMHSH81BAU**]
 君越 09款 发电机及仪表电瓶信号指示线路图..别克2.4 2009 4缸双VVT
 变速箱线路图 02SS..现代圣达菲现代圣达菲 2006 00

Copyright @ 2009 www.car388.com All rights reserved. 蜀ICP备12014226号-2 增值电信增值业务许可证:川B2-20190647 服务电话:028-87038205 87039205 87020205 川公网安备 51010502010015号 公司地址:成都市龙泉驿区经开区南二路309号 鼎峰动力港 企业办公总部基地 12栋
2025-01-16.-.V25VHTML-2025-V18-11-5---2-