[返回列表.]    [免费下载畅易手机版APP ]

用户 济南 **当前提问:空调系统线路图

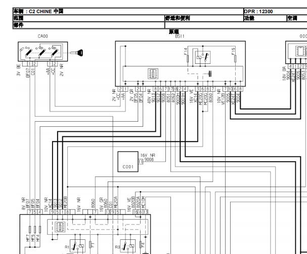
空调系统线路图

.尊敬的用户,欢迎你使用在线客服,你的问题客服人员已为你处理完毕,请下载附件,如有疑问,欢迎和我们联系!.雪铁龙C2空调电路图

附件:6914880617507.rar

.尊敬的用户,欢迎您使用在线客服,您需要的资料已更新了全系统的电路图,请您直接进入畅易平台查询!查询方法:国内厂家 <-东风雪铁龙-C2-2010-2012[ 线路图 ].2010-2012年东风雪铁龙-C2-电路图


用户 济南 ***其他客服问题:
test:
  2005年REXTON 变速箱电路图.. 双龙汽车RETON RX3202005/05/31-G23D[KPTGOB1955** ]
  2024款本田奥德赛IMA线路图和EPS线路图.. 本田奥德赛2024-LFB11[LHGRC4827R** ]
  仪表系统电路图.. 郑州日产NV2002010年07月-QR25N[LJNMEV1N0A** ]
  全车灯光电路图.. 保时捷卡宴2005年12月份-M48[WP1ZZZ9PZ6** ]
  全车电路图及模块位置图.. 一汽丰田陆地巡洋舰2005年8月-1FZ[LFBRF67855** ]
  发动机电路图.. 北京现代名驭2015-14GB[LBEEFAVA6F** ]
以下是东风雪铁龙相关车型的客服问题,希望对您有帮助
 ABS线路图..东风雪铁龙爱丽舍 08 1.6
 雪铁龙C4L碳罐电磁阀安装位置..东风雪铁龙雪铁龙C4L 2013 10FJBZ PSA5F06
  主继电器 供电电路..北京奔驰c200 10年 271 95c [LE4GF4BB7A**]
 2011年雪铁龙世嘉2.0手动档发动机电脑针脚定..东风雪铁龙世嘉 2011 2.0
 雪铁龙C4L发动机内部间隙标准值 缸壁间隙 环..东风雪铁龙雪铁龙C4L 2015 1.8L [LDCC23Y49F**]
 气囊电脑安装位置图..东风雪铁龙C5 2009 1 [1**]
 油泵继电器位置..东风雪铁龙c4l 2013 2zr [lvgdl25rxd**]
 2014年东风雪铁龙前杠灯线束总结头位置图,..东风雪铁龙雪铁龙 2014 LUB4
 需要2006东风雪铁龙C2 KFV发动机 1.4L发动机正时..东风雪铁龙C2 2006 KFV
 东风雪铁龙电路图模块注解哪里找..东风雪铁龙爱丽舍 201102 N6A [LDC703L21B**]
 发动机电脑端子图03SS..东风雪铁龙C3-XR 2016 1.6 THP 自动 EP6FDTM [LDC661247G**]
 2014款爱丽舍启动、防盗系统电路图 最好是全..东风雪铁龙爱丽舍 2014 NFP [LDC643T32E**]

Copyright @ 2009 www.car388.com All rights reserved. 蜀ICP备12014226号-2 增值电信增值业务许可证:川B2-20190647 服务电话:028-87038205 87039205 87020205 川公网安备 51010502010015号 公司地址:成都市龙泉驿区经开区南二路309号 鼎峰动力港 企业办公总部基地 12栋
2025-01-16.-.V25VHTML-2025-