[返回列表.]    [免费下载畅易手机版APP ]

用户 yixiugeq **当前提问:帕萨特前挡风喷水电路图,平台上没

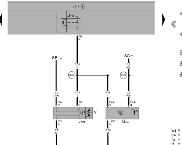
帕萨特前挡风喷水电路图,平台上没有。包括雨刮的全部电路图,如果文件过大,请发送到553052055@qq.com

.尊敬的用户,欢迎你使用在线客服,你的问题客服人员已为你处理完毕,请下载附件,如有疑问,欢迎和我们联系!(同时客服也发送至您的提供的QQ邮箱里,请注意查收).11年帕萨特雨刮电路图

附件:6136881779193.rar


用户 yixiugeq ***其他客服问题:
test:
  奔驰GL350空调系统电路图.. 北京奔驰GL3502012-64282041291399[4JGBF2E2CA** ]
  四驱.. 福迪SUV2018-A3217002221[LINBZUBA0H** ]
  仪表电路图.. 奔驰GL45008-273 923
  奥迪发动机曲轴位置传感器的安装位置在那个.. AudiA6 3.2L 2005-FSI
  09年起亚索兰托 天窗电路图.. 起亚索兰托2009-G4KE[KNAKU8118A** ]
  奔驰GL450 4matic 发动机维修手册和电路图! .. 奔驰GL4502011-273 923[WDCBF7BE2B** ]
以下是上海大众相关车型的客服问题,希望对您有帮助
 大众帕萨特点火线圈281接地和306接地点在哪..上海大众帕萨特 2011 CEA [LSVCD6A4XB**]
 发动机线路图..上海大众帕萨特 11年 CNGA [LSVCF6A47B**]
 变速箱油路板拆解图..上海大众帕萨特 2005 BBG [LSVCE29F85**]
 自动波箱解剖图..上海大众汽车有限公司SVW7203VPD 2010.07 BNL [LSVE449FXA**]
 更换舒适电脑后,后备箱打不开,舒适电脑设..上海大众帕萨特 2008 AWL
 后背箱长编码数据..上海大众朗逸 09年4月
 大众凌渡电子手刹怎么基本设置..上海大众凌渡 2015 1.4
 p1553大气压力信号,支管决定压力;关系不可..上海大众波罗 2006 BCC
 防盗电脑安装在哪..上海大众朗逸 2009 cde [lsvaa41879**]
 新款帕萨特后视镜控制模块匹配方法..上海大众汽车有限公司svw71810dj 2012 cea [LSVCD6A49C**]
 帕沙特领驭左前门锁块线路图..上海大众帕沙特 09 11111 [11111111**]
 08款帕萨特领域1.8T中控锁电路图..上海大众汽车帕萨特领域 08 1.8T

Copyright @ 2009 www.car388.com All rights reserved. 蜀ICP备12014226号-2 增值电信增值业务许可证:川B2-20190647 服务电话:028-87038205 87039205 87020205 川公网安备 51010502010015号 公司地址:成都市龙泉驿区经开区南二路309号 鼎峰动力港 企业办公总部基地 12栋
2025-01-16.-.V25VHTML-2025-V18-11-5---2-