[返回列表.]    [免费下载畅易手机版APP ]

用户 zhandian **当前提问:发动机电路图

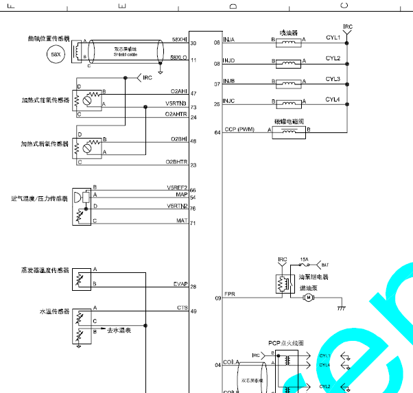
发动机电路图

.尊敬的用户,欢迎你使用在线客服,畅易资料库主要是提供常见小轿车和越野车的维修资料,抱歉没有该车资料,客服处理的东风风光DK15发动机线路图参考,请下载附件,给您带来不便,请谅解。.东风风光DK15发动机线路图

附件:5911703652910.zip

已评价:5星好评


用户 zhandian ***其他客服问题:
test:
  进口C5主动液压悬挂控制系统原理及电路图。.. 雪铁龙C52007-主动悬挂
  需要 日产皮卡 KA24 双凸轮 电喷 正时图。谢.. 郑州日产皮卡2002-KA24
  后除霜系统控制电路图,谢谢。.. 奔驰VITO2001-638
  全车电路图,或者仪表与车身,手刹指示灯电.. 北汽新能源EC2002017/11-TZ180X01[LNBSCB3F8H** ]
  车窗电路图.. 庆铃皮卡2011-4ZE4-MPI[LWLTFRUD8B** ]
  音响系统和智能钥匙系统电路图,谢谢。.. 东风本田思域2018/10-l15b8[LVHFC1665K** ]
以下是长安相关车型的客服问题,希望对您有帮助
 右前门电动窗模块供电大铁通讯线路图..长安福特蒙迪欧 14 2.0
 静态进水,急需6AT自动波箱电路图..长安逸动XT 2017 JL478QEA [LS5A3DGE4H**]
 长安cs75发动机正时..长安cs75 2016 JL486ZQ2 [LS4ASE2W6G**]
 10年羚羊全车电路图..长安牌铃木羚羊 2010 JL474Q8 [LS5H2CBR3A**]
 长安福特銳界电路图全景摄像头电路图..长安福特銳界 2018.12 CAF488WQ5 [LVSHFCAC9J**]
 长安福特麦克斯发动机和波箱电路图..长安福特CAF6480A麦克斯 2011-1 L3 [LVSHFSAF1B**]
 灯光电路..长安欧力威 13 jl473q1
 长安福特翼虎2013 接插件维修里的392页的第103..长安福特翼虎 2013 GTDIQ2 [LVSHJCAB6E**]
 车辆维修发动机电控检测..长安牌SC6363B4S普通客车 2012 C5HE007755 [LS4BDB3D7C**]
 求发动机维修资料。及数据。 谢谢..长安福特蒙迪欧 04年11月 Duratec2.5 V6 [LVSHBFAD54**]
 17款长安福特金牛做维修手册加电路图 此车水..长安福特金牛做 2017-01 CAF488WQ7 [LVSHMFAC4H**]
 你好,麻烦找一下长安逸动自动变速箱电路图..长安逸动XT 2014 1.8

Copyright @ 2009 www.car388.com All rights reserved. 蜀ICP备12014226号-2 增值电信增值业务许可证:川B2-20190647 服务电话:028-87038205 87039205 87020205 川公网安备 51010502010015号 公司地址:成都市龙泉驿区经开区南二路309号 鼎峰动力港 企业办公总部基地 12栋
2025-01-16.-.V25VHTML-2025-V18-11-5---2-