[返回列表.]    [免费下载畅易手机版APP ]

用户 永永52 **当前提问:变速箱电脑针脚图

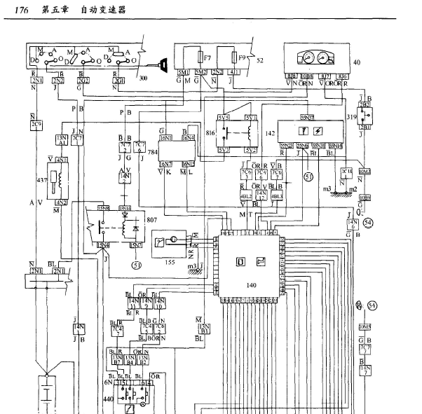
变速箱电脑针脚图

.尊敬的用户,欢迎你使用在线客服,抱歉没有针脚定义图,请参考线路图,请下载附件,如有疑问,欢迎和我们联系!.神龙富康变速箱线路图

附件:1942901237927.rar


用户 永永52 ***其他客服问题:
test:
  奔驰s500正时图273 961发动机.. 德国梅赛德斯奔驰2008-273 961[WDDNG71XX5** ]
  发动机电脑针脚图 4插头的.. 中华骏捷CROSS09-1.584[LSYYDBCA89** ]
  10年道奇酷威通讯链接电路图.. 道奇酷威10年-D[3D4PG6FD3B** ]
  福田驭领发动机电脑针脚图,电脑73针.. 福田驭领123-123[123** ]
   要一份发动机电脑的针脚图 发动机应该是.. 沃尔沃xc9007-B5254T2 2.521L 154kw[YV1CZ595X7** ]
  全地形模块电路图.. 奔驰奔驰GLE4002018-276821[4JGDA5GB8K** ]
以下是雪铁龙相关车型的客服问题,希望对您有帮助
 需要发动机的电路图和手册,平台上13的是老..雪铁龙C4L 2013 10FJBZ PSA5F06 [LDCC23146C**]
  发动机电脑板针脚示意图..雪铁龙C4L 2014 10FJBZ PSA5F06 [LDCC23144E**]
 雪铁龙C5散热风扇..雪铁龙C5 2010 2.3 [LDCA13RAXA**]
 毕加索电动助力转向控制模块位置图..雪铁龙毕加索 0 0 [VF7UARFJ39**]
 BSM位置图..雪铁龙C5 2007 1 [1**]
 04年雪铁龙毕加索2.0L全车线路图..雪铁龙毕加索 2004年 PSA RFN10LH46 2.0L [LDC828W334**]
 2013年雪铁龙世嘉ABS系统电路图和机舱保险盒..雪铁龙世嘉 2013 N6A10XA3APSA [LDCC13L27D**]
 变速箱电路图..雪铁龙爱丽舍 2013 N6A 10FX3A PSA [LDC703L37D**]
 03年雪铁龙C5电路图..雪铁龙C5 2003 ew1 [VF7DCXFXR7**]
 雪铁龙 塞纳 2014款 仪表..雪铁龙塞纳 2014 sakkl [slkdkl**]
 电动玻璃升降器防夹功能初始化s ..雪铁龙毕加索 2000-2012
 发动机维修手册和线路 01..雪铁龙DS 5LS 2014 1.6 THP 自动 EP6CDTM [LPAA2FAC3E**]

Copyright @ 2009 www.car388.com All rights reserved. 蜀ICP备12014226号-2 增值电信增值业务许可证:川B2-20190647 服务电话:028-87038205 87039205 87020205 川公网安备 51010502010015号 公司地址:成都市龙泉驿区经开区南二路309号 鼎峰动力港 企业办公总部基地 12栋
2025-01-16.-.V25VHTML-2025-