[返回列表.]    [免费下载畅易手机版APP ]

用户 herowu **当前提问:点火系统电路图,要清晰的

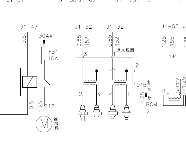
点火系统电路图,要清晰的

.尊敬的用户,欢迎你使用在线客服,抱歉资料库里没有10年力帆320的资料,客服处理了之前年款320的全部电路图资料,如需要请下载查看,你的问题客服人员已为你处理完毕,给您带来不便,请谅解! .力帆320电路图

附件:3822904523154.rar


用户 herowu ***其他客服问题:
test:
  变速器拆装维修手册.. 大众桑塔纳2006-afe[LSVAF03366** ]
  保险丝盒位置,室内的.. 别克英朗2018-1.0
  座椅电路.. 宝沃bx72018-bwe420b[LXVD3GFC9G** ]
  变速器到j519电路.. 大众迈特威2012-cjk[WV2DA87H5C** ]
  CAN的系统电路图.. 悍马H22008-6.2
  冷凝风扇电路,保险丝继电器盒说明.. 斯巴鲁傲虎2010-ej25[JF1BR96D8A** ]
以下是力帆相关车型的客服问题,希望对您有帮助
 a174 REM 模块位置图..宝马320 13 1 [1**]
 空气流量传感器线路图..宝马320Li 2014 N20B20D [LBV3M2100E**]
 18年宝马三系倒车雷达在哪里?..宝马320 18年7月 B48 [LBV8W3102J**]
 高温水管的构成图和低温水管安装图.. 宝马 320li 2017 B48B20C [LBV8W310XH**]
 力帆620发动机电脑线路图..力帆汽车力帆620 2009 TRITEC1.6L [LLV2A3A249**]
 此车热量控制模块电路图,或者发动机电路图..华晨宝马320Li 2016.09 B48B20C [LBV8W3107H**]
 整车电路图和维修手册..宝马320Li 2018.2 B48B20C 2.0L [LBV8W3104J**]
 麻烦找一下喷油嘴,燃油泵电路图,和保险图..宝马320 2005 N46B20CB [WBAVA76010**]
 麻烦给找一下这个车的ABS电路图..力帆520 2007 LF7130A [LLV2A2A107**]
 11年宝马320i缸盖分解图..宝马320i 11年11 N46 [WBAPG5105C**]
 麻烦查一下 机油压力传感器 在哪个位置..华晨宝马320i2.0 手自一体 豪华型 2007 N46B20CB(2.0) [LBVVA96027**]
 手动变速箱结构图..力帆迈威 2017 LFB479Q-h [LCN64EE52G**]

Copyright @ 2009 www.car388.com All rights reserved. 蜀ICP备12014226号-2 增值电信增值业务许可证:川B2-20190647 服务电话:028-87038205 87039205 87020205 川公网安备 51010502010015号 公司地址:成都市龙泉驿区经开区南二路309号 鼎峰动力港 企业办公总部基地 12栋
2025-01-16.-.V25VHTML-2025-