[返回列表.]    [免费下载畅易手机版APP ]

用户 sanhe_zc **当前提问:长城哈弗H5自动空调电路图

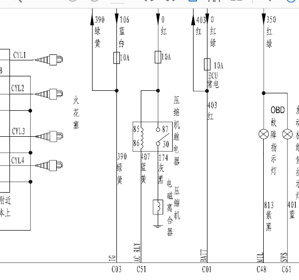
长城哈弗H5自动空调电路图

.尊敬的用户,欢迎你使用在线客服,非常抱歉,资料库没有12年的资料,请参考13年的资料,你的问题客服人员已为你处理完毕,请下载附件,如有疑问,欢迎和我们联系!13年长城哈弗H5空调线路图.

附件:7448906062802.zip

请问压缩机的电路图是哪个

.尊敬的用户,欢迎你使用在线客服,资料里有压缩机的资料,请仔细查看。.


用户 sanhe_zc ***其他客服问题:
test:
  变速箱换油图纸.. 保时捷保时捷2017-保时捷[WP0CA2980H** ]
  变速箱档位开关电路图 .. 别克别克2015-2015[LFMAP8604F** ]
  车身高度控制模块的安装位置.. 奔驰ML4002014-276 821[WDCDA5GB3E** ]
  更换正时皮带的正时点对法.. 长安福特翼虎2015-2015[LVSHJCALXF** ]
  四驱电路图 和 四驱结构图.. 讴歌讴歌2008-YD286[2HHYD28679** ]
  车载网络蓄电池装在哪里的?位置图.. 奔驰奔驰2011-2011[4JGBF8GE1B** ]
以下是长城哈弗相关车型的客服问题,希望对您有帮助
 15年长城哈弗H6 维修手册..长城哈弗H6 15 4g15 [LGWEF4A51F**]