[返回列表.]    [免费下载畅易手机版APP ]

用户 sdlj **当前提问:智能系统电路图,畅易上的对不上。

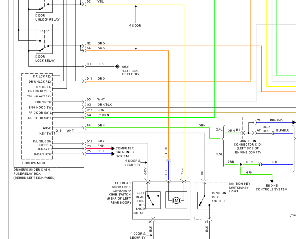
智能系统电路图,畅易上的对不上。

.尊敬的用户,欢迎你使用在线客服,你的问题客服人员已为你处理完毕,请下载附件,如有疑问,欢迎和我们联系!10年雅阁智能系统电路图.

附件:1415907052424.rar


用户 sdlj ***其他客服问题:
test:
  05年富康 仪表电路图.. 雪铁龙富康2005-1.4L[LDC241L235** ]
  06年本田雅阁倒车灯电路图.. 本田雅阁06-K24A8[LHGCM56746** ]
  马自达三星骋鼓风机线路图 控制开关是很多.. 长安马自达星骋12年-LF[LVSHDFAC7C** ]
  网关动力CAN电路图.. 北京汽车BJ902021-1[LNBRCUHK6N** ]
  02年道奇公羊 RAM-1500 5.2L发动机维修手册.. 道奇公羊2002-5.2L V8[2B6HB11Y92** ]
  金杯海狮西门子防盗盒接线图.. 沈阳华晨金杯海狮10-4RB2[LSYKDAAF0A** ]
以下是本田相关车型的客服问题,希望对您有帮助
 前端内部LF天线位置图 以及天线线路图..广汽本田雅阁 2010 K24Z2 [LHGCP268XA**]
 03年本田里程的方向盘上下前后电动调节马达..本田里程 03 3.5
 ABS泵电脑端子图查询的图资料不正确..本田杰德 2017 1 [LVHFR1829J**]
 气袋电路图。。。急用..本田思域 2001 JHMRN38501C202692
 副驾驶安全气囊拆卸方法..本田雅阁九代半 2016 K24W5 [LHGCR2661H**]
 暖风水箱拆装分解步邹..本田思域 09 r18a1 [LVHFA1631A**]
 通讯图帮我找一下 03SS..本田CRV本田CRV 2008 2.4
 03年奥德赛仪表电路图..本田奥德赛 03 F23Z4 [LHGRA68543**]
 发动机电脑到仪表通信电路图和变速箱电脑电..本田CRV 2017 L15BL [LVHRW1830J**]
 保险盒电路图..本田 CR-V 2007 K24Z1 [LVHRE48709**]
 这个车和电路图上的针脚对应不上软件上的发..本田CRV 16 R20A7 [LVHRM1823G**]
 倒车雷达电路图以及诊断方法..本田奥德赛 2011 K24Z2

Copyright @ 2009 www.car388.com All rights reserved. 蜀ICP备12014226号-2 增值电信增值业务许可证:川B2-20190647 服务电话:028-87038205 87039205 87020205 川公网安备 51010502010015号 公司地址:成都市龙泉驿区经开区南二路309号 鼎峰动力港 企业办公总部基地 12栋
2025-01-16.-.V25VHTML-2025-