[返回列表.]    [免费下载畅易手机版APP ]

用户 巨阙 **当前提问:日产轩逸2009款 G11 带定速巡航控制版

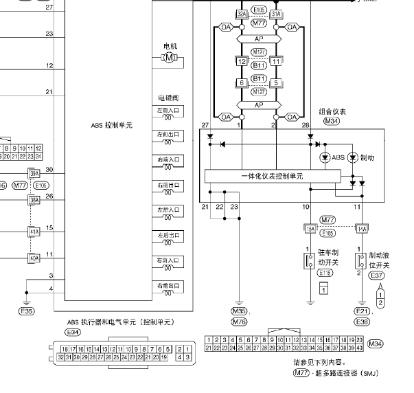
日产轩逸2009款 G11 带定速巡航控制版本 求帮查刹车踏板后面的制动灯开关和ASCD制动开关插头端子定义

.尊敬的用户,欢迎你使用在线客服,抱歉没有针脚定义,请参考线路图,请下载附件,如有疑问,欢迎和我们联系!.09年日产轩逸ABS线路图

附件:2793950267660.rar

速度很快,非常满意已评价:5星好评


用户 巨阙 ***其他客服问题:
test:
  宝马320 LBV8V3108GMF51588 2016款 320Li 进取型 空.. 宝马3202016-N20B20D[LBV8V3108G** ]
  帮忙查找汉腾X7 2.0T维修手册.. 汉腾X72017-4G63S4T[LK5A5C1S2H** ]
  12年皇冠电子节气门和油门踏板控制线路及其.. 丰田皇冠12年9月-5GR[LFMBEK4B9C** ]
  10年大众朗逸1.4T 喷油嘴端子正常电压多少.. 大众朗逸10-1.4T[00000** ]
  查询宝骏730 LZWADAGA7GB288947 高速电子扇端子定.. 宝骏7302016/07-LL5[LZWADAGA7G** ]
  求汉腾X7 四轮定位数据.. 汉腾X72017年12月-TLE4G15T[LK5A3C1K1H** ]
以下是日产相关车型的客服问题,希望对您有帮助
 经典轩逸2.0空调系统电路图..东风日产轩逸 2009 2.0 [LGBH1AE03A**]
 发电机拆装..日产天籁 2008 1 [LGBF1DE059**]
 马达电路图..日产逍客 2017 MR20DD [LGBL4AE01K**]
 变速箱油泵继电器,变速箱油泵的位置..东风日产轩逸经典1.6 无级 XE 舒适版 2021 HR16DE(1.6) [LGBH52E06M**]
 帮找下日产皮卡ZD25tcr的柴油泵和凸轮轴的正..日产奥丁 2010 ZD25 [11111**]
 电动变速箱维修手册..东风日产轩逸 e-POWER全电驱Pro 2022 HR12DE(1.2) [LGBH9VEA8M**]
 轩逸2016款发动机舱插头E3针脚图..日产轩逸 2017 HR16 [LGBH52E04H**]
 发动机线路图 03SS..日产风度日产风度 2001 00
 07年日产轩逸音响主机屏幕电路图..东风日产轩逸 2007 1
 风扇插头的电路图..日产天籁 2008 1 [LGBF1DE019**]
 发动机启动启动部分电路图..日产车体公司九州日产贵仕 2017年10月 VQ35 [JN1AE25E9H**]
 发动机电脑板的针脚图16 14 16 18..日产途乐 2001 Y61

Copyright @ 2009 www.car388.com All rights reserved. 蜀ICP备12014226号-2 增值电信增值业务许可证:川B2-20190647 服务电话:028-87038205 87039205 87020205 川公网安备 51010502010015号 公司地址:成都市龙泉驿区经开区南二路309号 鼎峰动力港 企业办公总部基地 12栋
2025-01-16.-.V25VHTML-2025-V18-11-5---2-