[返回列表.]    [免费下载畅易手机版APP ]

用户 LHHX **当前提问:奇瑞奇云2遥控模块线路图

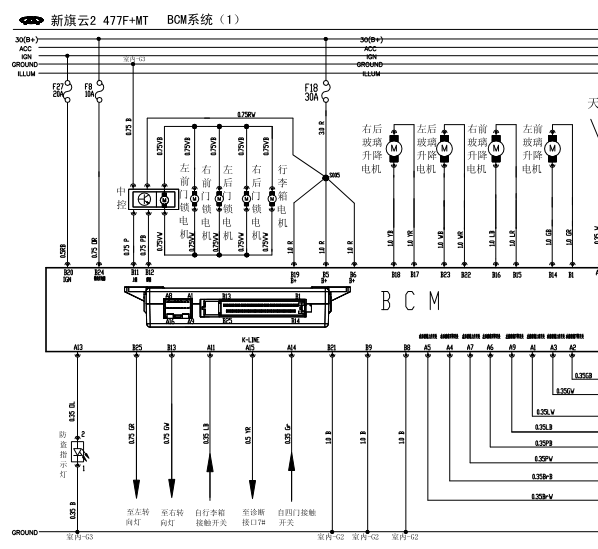
奇瑞奇云2遥控模块线路图

.尊敬的用户,欢迎你使用在线客服,你的问题客服人员已为你处理完毕,请下载附件,如有疑问,欢迎和我们联系!10年奇瑞旗云2遥控门锁线路图.

附件:1318953288759.zip


用户 LHHX ***其他客服问题:
  马瑞利的电脑板接脚定义.. 奇瑞SQR71105212008年03月-SQR472F[LVVDC12A98** ]
  东风悦达起亚狮跑2.0发动机凸轮轴链条记号.. 东风悦达起亚狮跑10年-B5007077[LJDFAA145B** ]
  发动机和刹车开关,离合开关线路图.. 长安CS7517年-JL476ZQCA[LS4ASE2E5H** ]
  华晨宝马520后倒车雷达线路图.. 华晨宝马BMW7201KL,2013,03-N20B20D[LBVCU1100D** ]
  刹车灯开关线路图.. 雪佛兰赛欧11-1.4[LSGSA52M0B** ]
  大灯电路图.. 福建戴姆勒奔驰唯雅诺2011年04月-272924[LB1WA6889B** ]
以下是奇瑞相关车型的客服问题,希望对您有帮助
 遥控匹配方法..奇瑞瑞虎3X 2018 SQRD4G15B [LVVDB21B3J**]
 刹车灯开关电路图 176623607QQ,COM..奇瑞汽车瑞虎3x1.5 手动 都市版 2017 SQRD4G15B(1.5) [LVVDB11B2G**]
 奇瑞A516维修手册..奇瑞SQR7161A2H 20070525 SQR481F [LV VDC11B0**]
 节气门线束..奇瑞优劲T72 2019 DAM15KR [LVMZ1A1B1L**]
 奇瑞E5电脑板插头针脚电路图 1JS..奇瑞E5 2011 VABJ00967 [LVVDC11B4B**]
 全车电路图及维修手册(原车为一键启动)..奇瑞凯翼X3 2017 SQRE4G16 [LVVDB11B9H**]
 发动机电控元件与ECU连接线路图..奇瑞奇瑞A516 2006 发动机
 空调控制面板电路图..奇瑞捷豹路虎揽胜极光2.0T 2017 204PT-2.0L [L2CVA2BG8H**]
 奇瑞瑞虎8低配手动后背门开关电路图..奇瑞瑞虎8 21 F4J16 [LVTDB21B9M**]
 线路图 资料?s..奇瑞E5 2013
 遥控防盗的电路图几匹配方法。..奇瑞旗云 2009年9月 SQR477F [A157**]
 05年奇瑞QQ3,发动机电控线路图,不清楚发一..奇瑞QQ3 05 000000 [00000000**]

Copyright @ 2009 www.car388.com All rights reserved. 蜀ICP备12014226号-2 增值电信增值业务许可证:川B2-20190647 服务电话:028-87038205 87039205 87020205 川公网安备 51010502010015号 公司地址:成都市龙泉驿区经开区南二路309号 鼎峰动力港 企业办公总部基地 12栋
2025-05-09.-.V28**