[返回列表.]    [免费下载畅易手机版APP ]

用户 wanliqix **当前提问:空调电路图

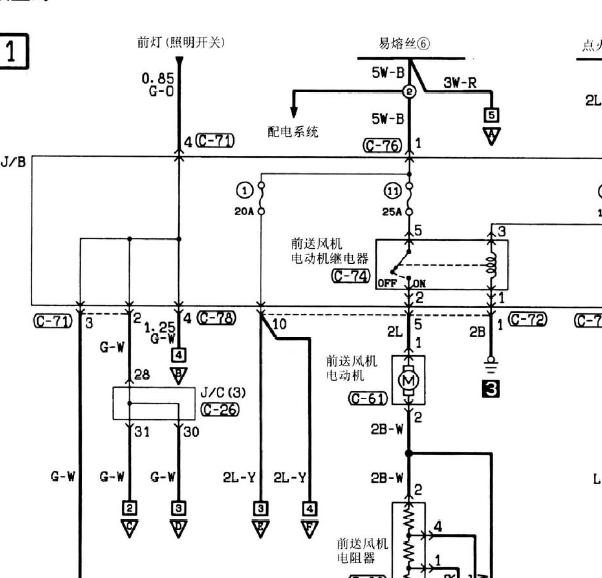
空调电路图

.尊敬的用户,欢迎你使用在线客服,你的问题客服人员已为你处理完毕,请下载附件,如有疑问,欢迎和我们联系!.东风风行空调线路图

附件:8009964897872.rar

打不开;显示压缩文件损坏

.尊敬的用户,欢迎你使用在线客服,客服重新传送了一个未压缩的附件,请再次下载打开资料,如有疑问,欢迎和我们联系。.

附件:5231964891939.pdf


用户 wanliqix ***其他客服问题:
test:
  发动机型号不对.. 大众郎逸2010-CFN
  发动机正时安装图.. 雪铁龙C52011-PSA3FY10XP01
  自动变速箱维修手册是2,5V6发动机的.. 福特蒙迪欧2004-2;5排量
  倒车雷达电路图以及诊断方法.. 本田奥德赛2011-K24Z2
以下是东风相关车型的客服问题,希望对您有帮助
 东风标志307方向盘游丝喇叭线哪条..东风标志标志307 2008 N6A10XA3psA [LDC933L318**]
 需要整个发动机维修手册..东风风光580 2022 HD15M1A [LVZA53P9XN**]
 排气刹电路图..东风新东日YZR5180GSSE 2018 ISB180 50 [LGDXWB1P5J**]
 雨刮线路图及车身模块线路图..东风日产日产轩逸 2018 HR16 [LGBH52E08J**]
 大灯控制详细电路图..东风小康V07S 2010 AF10-06 [LGK022K6XB**]
 保险丝位置、注释 ..东风英菲尼迪QX502.0T 无级 四驱菁英版 2018 KR20DDET(2.0) [LGBW2PE45K**]
 14年尼桑轩逸空调线路图..东风日产尼桑轩逸DFL7168VAK1 2014年6月 HR16 [LGBH52E06E**]
  本田 思域 p0685故障 怎么排除 ..东风本田 09 1 [1**]
 发动机线路图..东风悦达起亚赛拉图 07 1.6 [LJDDAA2257**]
 12年起亚秀儿变速箱故障,P0748-压力控制电磁..东风悦达起亚汽车秀儿 2012年1月 G4FC [LJDHAA126C**]
 13年日产阳光电子方向锁电路图没有吗..东风日产阳光 13 6l
 麻烦帮忙查一下门锁电路图,四扇车门的门锁..东风悦达起亚秀尔 2014年10月01日 G4FC [LJDHAA12XE**]

Copyright @ 2009 www.car388.com All rights reserved. 蜀ICP备12014226号-2 增值电信增值业务许可证:川B2-20190647 服务电话:028-87038205 87039205 87020205 川公网安备 51010502010015号 公司地址:成都市龙泉驿区经开区南二路309号 鼎峰动力港 企业办公总部基地 12栋
2025-01-16.-.V25VHTML-2025-V18-11-5---2-