[返回列表.]    [免费下载畅易手机版APP ]

用户 欧亚 **当前提问:发动机电路板电路图

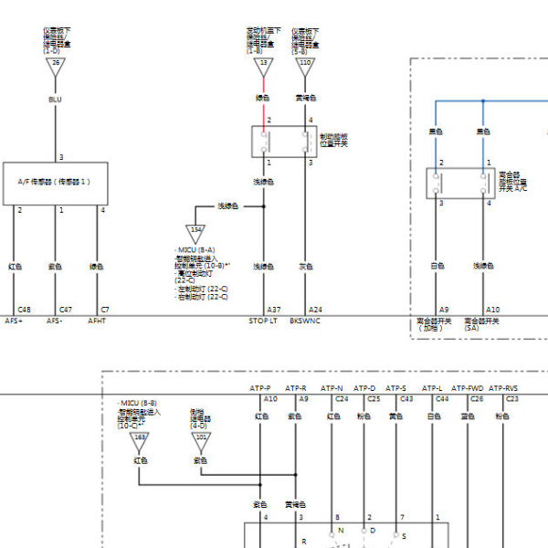
发动机电路板电路图

.尊敬的用户,欢迎你使用在线客服,你的问题客服人员已为你处理完毕,请下载附件,如有疑问,欢迎和我们联系!17年竞瑞发动机电路图.

附件:4888970835890.rar


用户 欧亚 ***其他客服问题:
test:
  17年奔驰E200点火起动开关电路图.. 奔驰E20017-271[LE4ZG4DB0H** ]
  10年新圣达电路图.. 现代新圣达10-2.4[KMHSH81B8A** ]
  凸轮轴位置传感器电路图.. 东风悦达起亚狮跑2006-G6BA[KNAJE55346** ]
  吉利 全球英GC718变速箱电路图.. 吉利GC7182014-4G18[LB37744Z5E** ]
  右后门锁块电路图 遥控电路图.. 奔驰ML35007-272[4JGBB86E07** ]
  发动机电路图.. 东风本田竞锐2017-L15B5[LVHGJ8822H** ]
以下是东风本田相关车型的客服问题,希望对您有帮助
 气囊 电路图 管脚图 急 座等 谢谢..东风本田思威 CR-V 2012.04 K24Z8 [LVHRM4859C**]
 11款东风本田CRV2.4发动机电路图..东风本田CRV 10年11月 K24Z1
 尾灯针脚图有么线路图的,平台上的没对上..东风本田艾力绅混动2.0 无级 豪华先享版 2022 LFB12(2.0) [LVHRR9853P**]
 网关电脑位置..东风本田XRV 2015 R18ZA [LVHRU5806F**]
 安全气囊电路图,针脚图..东风本田思域 2012年9月 R18Z2 [LVHFB2671C**]
 07本田思域 两个扇热风扇控制电路图 继电器..东风本田思域 2007 R18A1 [LVHFA16457**]
 麻烦帮忙找下东本思威的电子手刹系统的维修..东风本田思威 2019 L15BL [LVHRW181XK**]
 气囊电路图..东风本田思铭 2014.11 R18A1 [LVHC14672F**]
 电尾门维修手册电路图176623607@qq.com..东风本田UR-V2.0T 手自一体 370TURBO 四驱尊享版 2017 K20C3(2.0) [LVHTG6852J**]
 URV ABS系统电路图..东风本田URV 2018 L15BD [LVHTG4813J**]
 发动机电脑针脚定义..东风本田思域 19 L1B8 [LVHFC1672L**]
 动力控制单元 PCU 位置图 电路图 不是发动机..东风本田思域1.8 自动 LXi 经典版 2014 R18Z2(1.8) [LVHFB2625E**]

Copyright @ 2009 www.car388.com All rights reserved. 蜀ICP备12014226号-2 增值电信增值业务许可证:川B2-20190647 服务电话:028-87038205 87039205 87020205 川公网安备 51010502010015号 公司地址:成都市龙泉驿区经开区南二路309号 鼎峰动力港 企业办公总部基地 12栋
2025-01-16.-.V25VHTML-2025-