[返回列表.]    [免费下载畅易手机版APP ]

用户 李晓 **当前提问:你好给我一份配气机构机械原理图

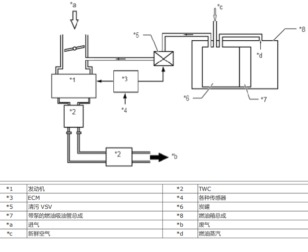
你好给我一份配气机构机械原理图

.尊敬的用户,欢迎你使用在线客服,客服为你处理了配气机构机械原理图和发动机电路图,你的问题客服人员已为你处理完毕,请下载附件,如有疑问,欢迎和我们联系!16年丰田RAV4配气机构机械原理图.

附件:4675976629926.rar

.尊敬的用户,欢迎您使用在线客服,您需要的资料已更新了全系统的维修手册,请您直接进入畅易平台查询!查询方法:国内厂家 ->一汽丰田-RAV4-2016[ 维修手册/诊断 ].一汽丰田-RAV4-2016[ 维修手册/诊断 ]


用户 李晓 ***其他客服问题:
test:
  你好,帮我找个音响线路图.. 一汽大众高尔夫GOIF2011,07,22-CFB[LFV2B21K5B** ]
  帮我找一下倒车摄像头电路图.. 别克君越SGM7247ATA12.07-LAF[LSGGF53W4C** ]
  帮我找一下发动机电脑针脚图,和线路图.. 五菱之光LZW6388NFA2013-LJ465QR1E6[LZWACAGA5D** ]
  长安铃木锋驭无钥匙进入,中控锁 发动机 。.. 长安锋驭14-4缸[LS5A33BE8E** ]
  你好,帮我找个空调线路图,和空调电脑位置.. 奔驰S6002009.10-275 953[WDDNG7GB2A** ]
  帮我找一下变速箱挂档杆锁电磁阀线路图.. 本田雅阁HG7241A 2008-K24Z2[LHGCP26748** ]
以下是一汽丰田相关车型的客服问题,希望对您有帮助
 发动机系统电路图,机舱打铁图,传感器位置..一汽丰田普拉多 2020 7GR-FKS [LFMG1E720L**]
 12年锐志ABS 刹车开关和车身控制线路图..一汽丰田锐志 2012 5GR 2.5L [LFMBEC4D1C**]
 保险丝盒图解..一汽丰田bZ3517km 精英PRO 2024 TZ200-XS002(电动机)(电动) [LFMAS14U3R**]
 皇冠ABS泵端子图..一汽丰田皇冠 2010 5GR [LFMBEK4B9A**]
 求一汽丰田科罗娜发动机控制电路图..一汽丰田科罗娜 2017 9NR [LFMAY86C6H**]
 分动箱分解图..一汽丰田霸道 2006 2.7
 发动机电控系统维修手册..一汽丰田柯斯达2.7 手动 豪华车23座 2006 3RZ(2.7) [LFMEH58156**]
 04年丰田陆地巡洋舰 室内ACC供电保险电路图 ..一汽丰田陆巡 04 2UZ [LFBRF77844**]
 丰田卡罗拉全车电路图..一汽丰田卡罗拉 2015年9月 1ZR [LFMAP86C1F**]
 发动机控制系统电路..丰田(进口)RAV4 2004 1AZFE [JTEHH20V11**]
 CAN先电路图,请找14年的。13年的对不上..一汽丰田卡罗拉1.6 无级 GLX-i 导航版 2014 1ZR-FE(1.6) [LFMAP86C8E**]
 07年皇冠网络拓扑图,诊断电脑进不去 ..一汽丰田皇冠 2007 5GR-FE [LFMBE85B07**]

Copyright @ 2009 www.car388.com All rights reserved. 蜀ICP备12014226号-2 增值电信增值业务许可证:川B2-20190647 服务电话:028-87038205 87039205 87020205 川公网安备 51010502010015号 公司地址:成都市龙泉驿区经开区南二路309号 鼎峰动力港 企业办公总部基地 12栋
2025-01-16.-.V25VHTML-2025-