[返回列表.]    [免费下载畅易手机版APP ]

用户 起飞88 **当前提问:16款北汽威旺S50车身模块电路图

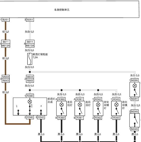
16款北汽威旺S50车身模块电路图

车身控制单元的电路图

这个有吗???

.尊敬的用户,您好!客服正在查找,请耐心等待!.

.尊敬的用户,欢迎你使用在线客服,你的问题客服人员已为你处理完毕,请下载附件,如有疑问,欢迎和我们联系!2016年威旺S50车身控制电路图.

附件:3544979767786.rar

只有一张而已吗

.尊敬的用户,欢迎你使用在线客服,你的问题客服人员已为你处理完毕,请下载附件,如有疑问,欢迎和我们联系!.

附件:3007979768198.rar

.尊敬的用户,欢迎您使用在线客服,您需要的资料已更新了全系统的电路图,请您直接进入畅易平台查询!查询方法:国内厂家 ->北汽威旺-威旺S50-2016-2017[ 线路图 ].北汽威旺-威旺S50-2016-2017[ 线路图 ]

.尊敬的用户,欢迎您使用在线客服,您需要的资料已更新了全系统的电路图,请您直接进入畅易平台查询!查询方法:国内厂家 ->北汽威旺-威旺S50-2016-2017[ 线路图 ].北汽威旺-威旺S50-2016-2017[ 线路图 ]


用户 起飞88 ***其他客服问题:
test:
  丰田大霸王08款电路图变速箱.. 丰田大霸王08年-2GR[JTEGS54M68** ]
  09年中华尊驰灯光双闪电路图.. 中华尊驰09-4G6354N[LSYYBBCF29** ]
  丰田花冠13年电子助力转向系统有中文版的电.. 一汽丰田花冠13-01-1ZR[LFMAR22CXD** ]
  帮我找一份雷克萨斯ES240远光灯的控制电路图.. 丰田ES24010.10-2AZ[JTHBW46G5A** ]
  奥迪A6通讯线路图有吗.. 一汽奥迪奥迪A601年-APS[LFVBA24B01** ]
  东风日产蓝鸟气囊电脑针脚图.. 东风日产蓝鸟19年-HR16[LGBH72E0XK** ]
以下是北汽威旺相关车型的客服问题,希望对您有帮助
 空调电路图..北汽威旺S50 2016 未知 [LNBMCUAH8G**]
 北汽威旺发动机电路图..北汽威旺BJ6400L3R6 2014.10 A12 [LNBMDLAA5E**]
 查一下奔驰S500 气囊电脑有几根供电 分别是几..奔驰S500 2005年 273 961 [WDDNG71X25**]
 麻烦帮我查一下这发动机的对正时的资料,谢..奔驰S500 2011 278 932 [WDDNG9EBXC**]
 01年奔驰双闪及室内灯线路图..奔驰S500 2001 WDB220175 [WDB2201751**]
 车距控制系统的线路图和手册01SS..奔驰S500 L 4MATIC 2007 M273.968 [WDDNG86X37**]
 发动机电脑针脚图要中文的..奔驰S500 2002 113 966 [WDBNG84J63**]
 动力电池系统的维修手册和电路图..北汽威旺307EV 2016 YS30S01 [LHB14T3E7G**]
 防盗线路图..北汽威旺S50 2017.3 4A91T [LNBMCUAK6H**]
 北汽威旺S50车身电脑 电源智能盒 发动机电脑..北汽威旺S50S50 2016.12 4A91T
 05年奔驰S500换挡机构拆装..奔驰S500 2005 3.5L
 03年奔驰S500仪表的针脚图有吗,18针脚的..奔驰S500 2003 LJJFDLSAUFOI [DSLKFJSDKJ**]

Copyright @ 2009 www.car388.com All rights reserved. 蜀ICP备12014226号-2 增值电信增值业务许可证:川B2-20190647 服务电话:028-87038205 87039205 87020205 川公网安备 51010502010015号 公司地址:成都市龙泉驿区经开区南二路309号 鼎峰动力港 企业办公总部基地 12栋
2025-01-16.-.V25VHTML-2025-V18-11-5---2-