[返回列表.]    [免费下载畅易手机版APP ]

用户 惠成 **当前提问:来一份气囊线路图 左侧碰撞传感第一

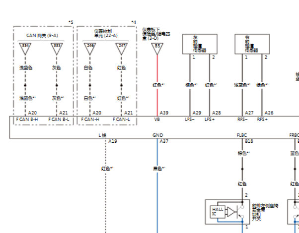
来一份气囊线路图 左侧碰撞传感第一 线路图 后部安全传感器 线路图 外加位置图 谢谢

.尊敬的用户,欢迎你使用在线客服,你的问题客服人员已为你处理完毕,请下载附件,如有疑问,欢迎和我们联系!2017年本田艾力绅气囊电路图.

附件:8337979861551.rar

.尊敬的用户,欢迎你使用在线客服,你需要的资料在《畅易汽车维修技术支持平台》是有的,请直接登陆查询!查询方法:国内厂家 -> 东风本田-艾力绅(Elysion)-2018[ 维修手册/诊断 ] - >艾力绅(ELYSION) -> 保护系统 -> SRS(安全气囊) -> SRS部件位置索引.2018年东风本田-艾力绅(Elysion)碰撞传感器位置


用户 惠成 ***其他客服问题:
test:
  发动机系统线路图和仪表档显.. 丰田47002000-2UZ-FE[JTEHT05J40** ]
  全车电路图.. 郑州日产锐骐皮卡2007年7月-3.2[LJNTFU2S57** ]
  11款大众CC,中央门锁和防盗报警装置R47天线.. 大众CC11年-1[1** ]
  骊威全车CAN线路图.. 东风日产骊威2008/12-HR16[LGBK22E738** ]
  奇骏仪表数据 谢谢.. 东风日产奇骏2010-2.0[LGBM2AE64A** ]
  来一份电动尾门线路图.. 英菲尼迪QX802013-5.6L[JNKAZ25F5E** ]
以下是本田相关车型的客服问题,希望对您有帮助
 冷却系统线路以及维修资料..本田思域 2008 1 [LVHFA16258**]
 雅阁 2014 九代半 ABS 电路图..本田雅阁 2014.12 R20Z4 [LHGCR1654E**]
 本田里程 04款 诊断接口是哪一种,在什么地..本田里程 04年 6V
 有近光灯系统电路图吗..本田冠道 2017 L15BD [LHGTG181XJ**]
 制动液传感器和雨刮电机的电路图,这个车的..本田CR-V 2019 L15BL [LVHRW1826K**]
 06年雅阁节气门继电器电路图..本田雅阁 2006 ..... [....**]
 本田PCM怠速学习程序设置..本田FIT(飞度) 全部年份 全系列 [全系列**]
  2010年思域发动机电脑板端子定义..本田思域 2010 R18A1 [LVHFA1632A**]
 歌诗图点烟器线路图..本田歌诗图 2013 K24Y [LHGTF3856D**]
 15年本田奥德赛发动机 关于节气门的电路图..本田奥德赛 2015 1 [1**]
 CRV全车线路图SS..本田CRV 18 [ **]
 本田哥瑞发动机电控系统电路图和发动机电脑..本田哥瑞 2016 L15B5 [LVHGJ6621G**]

Copyright @ 2009 www.car388.com All rights reserved. 蜀ICP备12014226号-2 增值电信增值业务许可证:川B2-20190647 服务电话:028-87038205 87039205 87020205 川公网安备 51010502010015号 公司地址:成都市龙泉驿区经开区南二路309号 鼎峰动力港 企业办公总部基地 12栋
2025-01-16.-.V25VHTML-2025-V18-11-5---2-