[返回列表.]    [免费下载畅易手机版APP ]

用户 ntqcdz **当前提问:福特MKZ无钥匙进入智能部分电路图

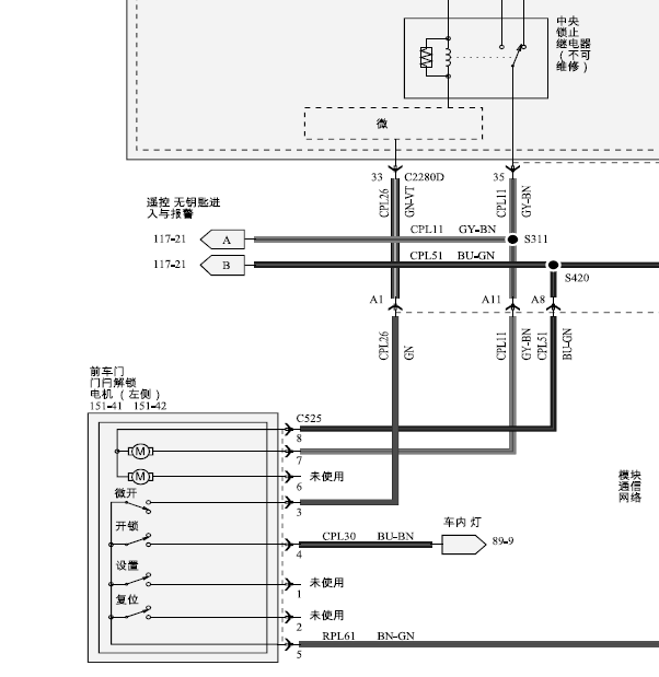
福特MKZ无钥匙进入智能部分电路图

.尊敬的用户,欢迎你使用在线客服,你的问题客服人员已为你处理完毕,请下载附件,如有疑问,欢迎和我们联系!18年林肯MKZ无钥匙线路图.

附件:7843997337035.rar

麻烦你再找个元件位置图,谢谢!

.尊敬的用户,欢迎你使用在线客服,非常抱歉,该车只有线路图,没有维修手册及部件位置,给你带来不便,请谅解。.

.尊敬的用户,欢迎您使用在线客服,您需要的资料已更新了全系统的电路图,请您直接进入畅易平台查询!查询方法:国外厂家 <-Lincoln(林肯)-MKZ-2017-2018[ 线路图 ].


用户 ntqcdz ***其他客服问题:
test:
  要个雪佛兰景程的发动机电控图.. 雪佛兰景程06-L34[LSGVR52Z56** ]
  帕萨特J519上面B插头B52供电电路.. 大众帕萨特12-CEA[LSVCZ6A40F** ]
  05年陆尊油泵电路图.. 别克陆尊05-LW9[LSGUD82C85** ]
  宝马318i节气门伺服电机部分电路图.. 宝马318i2010-N46B20E[LBVPS3103A** ]
  欧宝雅特气囊系统电路图.. 欧宝雅特11年-Z18XER[WOLAH34177** ]
  英菲尼迪FX35发动机控制系统电路图.. 英菲尼迪FX352008年10月-VQ35[JNKAS05F38** ]
以下是福特相关车型的客服问题,希望对您有帮助
 你好 帮忙查一下福特锐界换挡模块安装位置..福特锐界 2019 CAF488WQ5 [LVSHFCAC2K**]
 ACC电路图,前视感知器电路图..福特锐界 2018 CAF488WQ5 [LVSHFCAC2H**]
 点火开关电路图..福特猛禽 2011 BOSS [1FTFW1R62B**]
 15年福特蒙迪欧全车线路图..福特蒙迪欧 2015 UIU [9080U90**]
 17年福特F150双涡轮增压排量3.5发动机电路图及..福特F150 2017 3.5
 17年福特猛禽刹车灯和转向灯线路图..福特猛禽 2017 4.2
 福特燃油切断开关复位设置..福特FOCUS(福克斯) 全部年份 全系列 [全系列**]
 天窗线路图03SS..福特蒙迪欧 2008 [ **]
 倒车雷达线路图..福特福克斯 2019 GTDIQ75 [LVSHCFAU9K**]
 刹车灯电路图..福特福克斯 2012 CAF483Q0 [LVSHCFAE9C**]
 音响系统端子定义..福特翼虎 2019 KA003421 [LVSHJCALIK**]
 发动机电脑端子图..福特福睿斯 2018-11 CAF384Q25 [LCSHFFMU2J**]

Copyright @ 2009 www.car388.com All rights reserved. 蜀ICP备12014226号-2 增值电信增值业务许可证:川B2-20190647 服务电话:028-87038205 87039205 87020205 川公网安备 51010502010015号 公司地址:成都市龙泉驿区经开区南二路309号 鼎峰动力港 企业办公总部基地 12栋
2025-01-16.-.V25VHTML-2025-