[返回列表.]    [免费下载畅易手机版APP ]

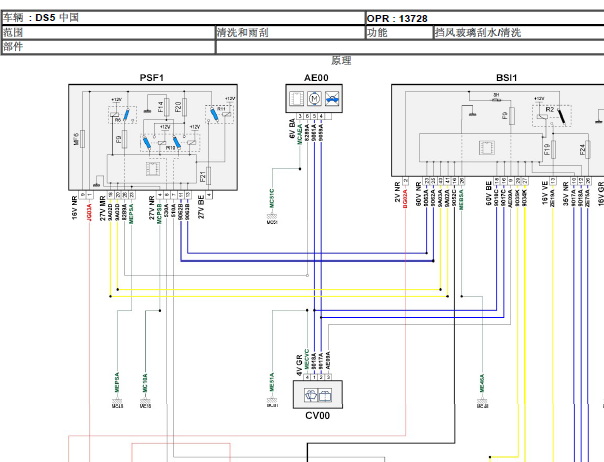
用户 17640024 **当前提问:13年DS 5,雨刮电机,雨刮喷水电路图

13年DS 5,雨刮电机,雨刮喷水电路图

.尊敬的用户,欢迎你使用在线客服,你的问题客服人员已为你处理完毕,请下载附件,如有疑问,欢迎和我们联系!.13年雪铁龙DS5雨刮电路图

附件:2039637723574.rar

这个是14-15年的

.尊敬的用户,欢迎你使用在线客服,请提供一下17位车架号,客服才好针对性的进系统查找资料,如有疑问,欢迎和我们联系。.


用户 17640024 ***其他客服问题:
test:
  全车CAN节点电路图.. 玛莎拉蒂GT10-3.0
  17年华泰圣达菲全车电路图 .. 华泰圣达菲2017-1.5
  一汽丰田锐志防盗盒,发动机供电通讯电路图.. 一汽丰田锐志2011-5GR[LFMBEC4D5B** ]
  08年 悍马H3 两侧转向灯电路图及模块位置图 .. 悍马H32008-3.5L
以下是谛艾斯相关车型的客服问题,希望对您有帮助
 15年DS5油泵电路图..雪铁龙ds5 15 aa
 正时链条装配图..谛艾仕牌ds5ls 2014/9 5f06 [lpaa2fac1e**]
 13年DS 5,雨刮电机,雨刮喷水电路图..谛艾斯ds5 2013 5F03 1.6
 四轮定位数据麻烦帮我查下..DSds5 14 1 [LPAA1CBCXE**]
 压缩机电路..DSds5 2014 1 [LPAA1CAC9E**]

Copyright @ 2009 www.car388.com All rights reserved. 蜀ICP备12014226号-2 增值电信增值业务许可证:川B2-20190647 服务电话:028-87038205 87039205 87020205 川公网安备 51010502010015号 公司地址:成都市龙泉驿区经开区南二路309号 鼎峰动力港 企业办公总部基地 12栋
2025-01-15.-.V25VHTML-2025-V18-11-5---2-