[返回列表.]    [免费下载畅易手机版APP ]

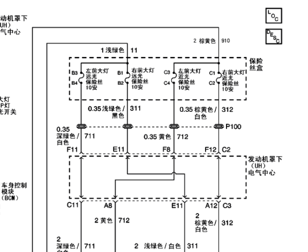
用户 惠成 **当前提问:大灯远近光 线路图 H4灯泡

大灯远近光 线路图 H4灯泡

.尊敬的用户,欢迎你使用在线客服,你的问题客服人员已为你处理完毕,请下载附件,如有疑问,欢迎和我们联系!2009年别克GL8大灯电路图.

附件:82541078584794.rar

.尊敬的用户,欢迎您使用在线客服,您需要的资料已更新了全系统的维修手册,请您直接进入畅易平台查询!查询方法:国内厂家 ->上海别克-商务车(GL8)-2009-2010[ 维修手册/诊断 /电路图 ].上海别克-商务车(GL8)-2009-2010[ 维修手册/诊断 /电路图 ]


用户 惠成 ***其他客服问题:
test:
  12年汉兰达转向角度传感器针脚图+线路图.. 丰田汉兰达12-2.7
  19款卡罗拉变速箱压力控制电磁阀k位置图, .. 丰田卡罗拉19年-1[1** ]
  发动机电路图.. 比亚迪F009-BYD371QA
  别克君越09年的2.4排量 EBTCM至动力系统控制模.. 别克君越09年4月份-LE5[LSGWS52X79** ]
  保时捷卡宴全车线路图 .. 保时捷卡宴04-123[wp1aa29p64** ]
  喇叭的线路图 谢谢.. 道奇酷威道奇酷威09-hggh[3d4ggh7d99** ]
以下是别克相关车型的客服问题,希望对您有帮助
 有没有人知道GL8的保养归零方法s..别克GL8 2007
 别克GL8 2014 豪华版bose功放针脚定义..别克GL8 2014 3.0
 启停模块位置..别克昂科威 15年10月 lfv [LSGXE8353G**]
 君越2.4仪表显示电压12.5V,刚启动车辆显示14V..别克君越 15年 LAF [LSGGF53W0F**]
 gl8运行启动继电器五根线具体电路图 平台..别克gl8 18 2.0 [LSGUL83L4J**]
 别克君威2010年汽油泵保险再哪/怎么查找 谢谢..别克君威 09年12月 LTD [LSGGA53Y3A**]
 17GL8ES 加热器与空调用户界面控制装置电路图..GL8GL8 17 LTG [LSGUL83L5H**]
 在吗有没有别克君威发动机电脑96+58脚针脚图..别克君威 2009 LSGGA53F9AH008615
 发动机电脑针脚定义图..别克威朗 2019 LFV [LSGBC535XK**]
 刹车灯开关线路图..上海别克GL8 2017 LTG [LSGUL8AL5H**]
 增压机维修手册..别克君越 2010 2.0T [LSGGF53F8A**]
 暖风,通风,空调系统,维修资料?s..别克 凯越 2013

Copyright @ 2009 www.car388.com All rights reserved. 蜀ICP备12014226号-2 增值电信增值业务许可证:川B2-20190647 服务电话:028-87038205 87039205 87020205 川公网安备 51010502010015号 公司地址:成都市龙泉驿区经开区南二路309号 鼎峰动力港 企业办公总部基地 12栋
2025-01-15.-.V25VHTML-2025-