[返回列表.]    [免费下载畅易手机版APP ]

用户 ywjymz **当前提问:发动机,变速箱,起动电路图

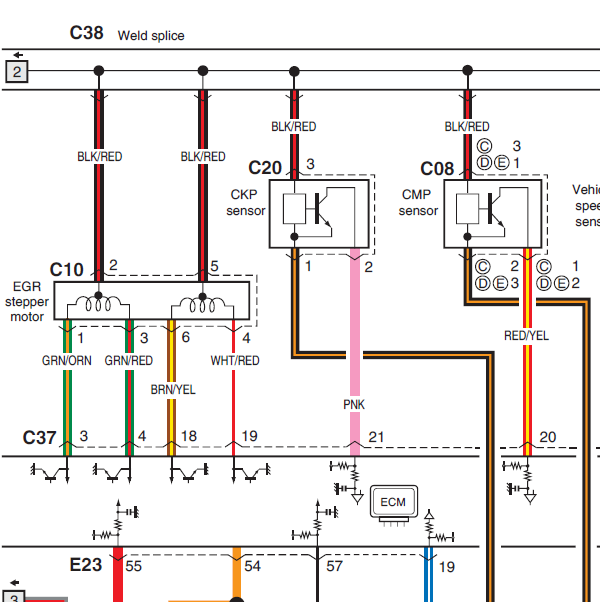
发动机,变速箱,起动电路图

.尊敬的用户,欢迎你使用在线客服,你的问题客服人员已为你处理完毕,请下载附件,如有疑问,欢迎和我们联系!北斗星K14B发动机电路图.昌河铃木自动变速箱电路图.

附件:55461144926776.rar


用户 ywjymz ***其他客服问题:
test:
  发动机电脑针脚.. 江铃陆风㐅52016-4A91T[LVⅩCAHBA** ]
  驻车灯和牌照灯电路图.. 雪弗兰新景程2013年-2H0[LSGVA54R2D** ]
  4驱模块位置.. 路虎发现神行路虎发现神行2015-2.0T[SALCA2BG9F** ]
  沃尔沃故障码CEM8F2C挡风雨刮信号过高,原因.. 沃尔沃Cx9o05-不祥[不祥。** ]
  福田蒙派克电动窗门锁电路图.. 福田蒙派克07-不详[不洋'** ]
  发动机电喷电路.. 东风小康东风小康K022016-无[无′** ]
以下是昌河铃木北斗星1.4相关车型的客服问题,希望对您有帮助
 昌河北斗星起动电路,发动机,自动变速箱电..北斗星℃H7140D1 09 K14B [LvFAB2AD89**]
 发动机,变速箱,起动电路图..昌河铃木北斗星1.4℃H7140D1 09 K14B [LvFAB2AD89**]

Copyright @ 2009 www.car388.com All rights reserved. 蜀ICP备12014226号-2 增值电信增值业务许可证:川B2-20190647 服务电话:028-87038205 87039205 87020205 川公网安备 51010502010015号 公司地址:成都市龙泉驿区经开区南二路309号 鼎峰动力港 企业办公总部基地 12栋
2025-01-15.-.V25VHTML-2025-V18-11-5---2-