[返回列表.]    [免费下载畅易手机版APP ]

用户 A1877366 **当前提问:江淮瑞风2.0电路图和电脑版针脚图

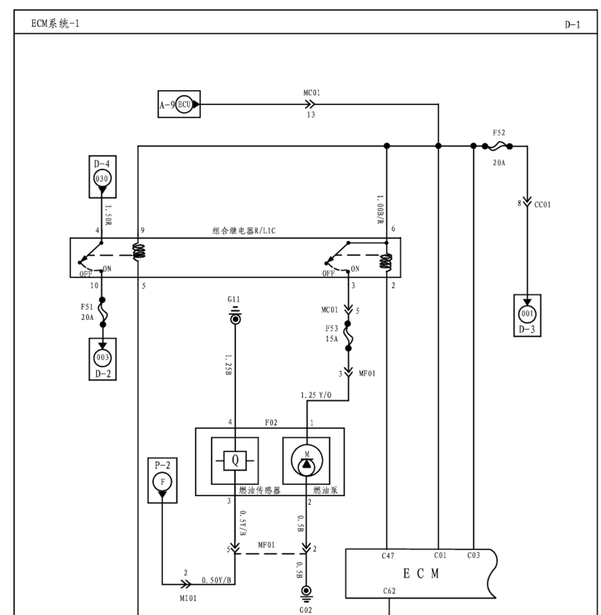
江淮瑞风2.0电路图和电脑版针脚图

.尊敬的用户,欢迎你使用在线客服,抱歉没有针脚资料客服处理了2.0的电路图参考,请下载附件,如有疑问,欢迎和我们联系!(如对不上,请提供具体的发动机型号).江淮瑞风发动机线路图

附件:7083960552780.rar


用户 A1877366 ***其他客服问题:
test:
  江淮瑞风全车电路图2.0.. 江淮江淮瑞风2006-HFC4GA3
  电源分布图.. 现代现代2013-G4NA2.0
  2012款江铃驭胜换3挡打齿,求一份该车的变速.. 江铃驭胜2012-JX4D24A4L[LEFDJDBB8C** ]
  江淮瑞风喷油嘴电路图带线颜色.. 江淮瑞风2006-2.0
以下是江淮相关车型的客服问题,希望对您有帮助
 江淮 iev5高压电 控制系统电路图 电池管理 车..江淮iev5 2015 jho2 [LJ1EFKRP4F**]
 瑞风2.0vvt正时校正..江淮瑞风 2015 4GA3c7v [lj166A334f**]
 瑞风R3电路图 SS..江淮瑞风R3 2018 0 [0**]
 变速箱电脑针脚图..江淮瑞风S7 2017 4GA3-4D [LJ166**]
 江淮瑞风S3故障码P2138维修手册..江淮瑞风S3 2015 HFC4GB2.3D [LJ12EKR27F**]
 江淮iv5纯电动大灯电路图..江淮江淮iv5 15 没有
 电动车窗部分电路图,保险盒电源分配电路图..江淮汽车帅铃T8 2018 HFC4DB2-1D1 [LJ11PABDXJ**]
 帅铃T8 柴油发动机维修手册..江淮t8 2020 HFC4DB2-2E [LJ11PABD2L**]
 2015年江淮瑞风M5 柴油版仪表电路图 ..江淮瑞风M5 2015 HFC4B1-2C [LJ166A3D8F**]
 凸轮轴到电脑板的线的电路图..江淮瑞风 2011 HFC4GA3-C [LJ16AA339B**]
 江淮帅铃 柴油2.8L发动机电脑端子图或线路图..江淮帅铃T6 2016 HFC4DA1-2C [LJ11KBBC5H**]
 自动空调线路图..江淮汽车和悦RS 11年 4G93D [LJ16AK23XB**]

Copyright @ 2009 www.car388.com All rights reserved. 蜀ICP备12014226号-2 增值电信增值业务许可证:川B2-20190647 服务电话:028-87038205 87039205 87020205 川公网安备 51010502010015号 公司地址:成都市龙泉驿区经开区南二路309号 鼎峰动力港 企业办公总部基地 12栋
2025-01-15.-.V25VHTML-2025-