[返回列表.]    [免费下载畅易手机版APP ]

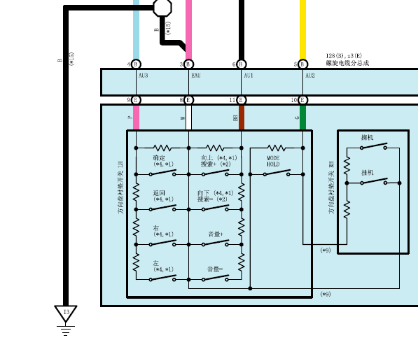
用户 13510196 **当前提问:方向盘多功能按键线路图

方向盘多功能按键线路图

.尊敬的用户,欢迎你使用在线客服,你的问题客服人员已为你处理完毕,请下载附件,如有疑问,欢迎和我们联系!2012年丰田凯美瑞方向盘多功能按键线路图.

附件:69041226968999.rar

.尊敬的用户,欢迎您使用在线客服,您需要的资料已更新了全系统的电路图,请您直接进入畅易平台查询!查询方法:国内厂家 ->广汽丰田-凯美瑞(camry)-2012[ 线路图 ].广汽丰田-凯美瑞(camry)-2012[ 线路图 ]


用户 13510196 ***其他客服问题:
test:
  新能源长安欧力威转向柱模块电路图 电路图 .. 长安欧力威2018.8.24-TZ186XSM01[LS4ADM2C1J** ]
  发动机正时.. LJ166A3D1C7024750江淮2012-HFC4DB1_2C[LJ166A3D1C** ]
  宝马520li 辅助电池安装位置.. 宝马宝马F182017-N20B20D[LBV5S1104G** ]
  郑州东风帅客1.6 发动机电脑版针角图.. 郑州东风帅客帅客2011_7-TU5JP4[LJNMDV1E2B** ]
  广州本田飞度发动机保险盒针脚图定义.. 广州本田飞度2005.8-L15A1[LHGGD38415** ]
  空调线路图及空调传感器位置.. 杰斐逊北工厂jeep吉普2014-G[1C4RJFBG6F** ]
以下是广汽丰田相关车型的客服问题,希望对您有帮助
 左前座椅电路图..广汽丰田汉兰达2.7 手自一体 两驱5座运动版 2009 1AR-FE(2.7) [LVGDA46A9B**]
 车身没电,车主自己帮车,帮车电源线接反,..广汽丰田凯美瑞经典2.0 自动 200G 豪华版 2012 1AZ-FE(2.0) [LVGBH42K2C**]
 这个车胎压模块安装位置..广汽丰田雷凌双擎1.8 无级 智能电混运动版 2023 8ZR-FXE(1.8) [LVGB1B0E5P**]
 请问客服能帮忙找到凯美瑞的保养灯归零资料..丰田凯美瑞(Carmy) 2007-2011
 变速箱电磁阀电路图..广汽丰田汉兰达 2010.12 1AR2.7 [LVGDA46A4A**]
 八代凯美瑞双擎2.5发动机油底壳放油螺丝扭矩..广汽丰田凯美瑞 2019年 2.5双擎
 全车电路图ss..广汽丰田凯美瑞(camry) 2021/2022 . [.**]
 11年11款丰田凯美瑞2.4排量发动机电路图..丰田凯美瑞 2011 2AZ-FE [LVGBE40K9B**]
 2010广州丰田凯美瑞混合动力车身修理手册?S..广州丰田凯美瑞 2010 1
 丰田凯美瑞电路图..丰田凯美瑞 2017年02月 6AR [LVGBM51K7H**]
 l9年雷凌1.2T电路图,维修手册..广汽丰田雷凌 19年7月 1.2T [LVGBPB9E1K**]
 凯美瑞ID盒位置图..广汽丰田凯美瑞 2018年5 6AR [LVGBM74K1J**]

Copyright @ 2009 www.car388.com All rights reserved. 蜀ICP备12014226号-2 增值电信增值业务许可证:川B2-20190647 服务电话:028-87038205 87039205 87020205 川公网安备 51010502010015号 公司地址:成都市龙泉驿区经开区南二路309号 鼎峰动力港 企业办公总部基地 12栋
2025-01-15.-.V25VHTML-2025-