[返回列表.]    [免费下载畅易手机版APP ]

用户 gaolizhu **当前提问:启动系统电路图

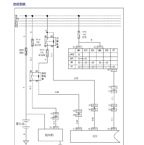
启动系统电路图

.尊敬的用户,欢迎你使用在线客服,你的问题客服人员已为你处理完毕,请下载附件,如有疑问,欢迎和我们联系!.2015 北汽幻速H2  启动电路图

附件:29281298754504.rar


用户 gaolizhu ***其他客服问题:
test:
  金龙大面包仪表线路图自动挡.. 厦门金龙金龙凯歌2014-3TZ[LA61BAA80J** ]
  BYS46接点位置。这个车跟14年的是一样的.. 名爵GS2016.02-15E4E
  启动继电器电路图和发动机舱保险丝盒定义.. 尼桑骊威09-HR16
  换挡电池阀电路图.. 广州本田锋范2010-L15A7
  N2/7 乘员保护系统控制模块位置图.. 奔驰S35011年-276 950
  转换器盒位置图.. 一汽大众速腾2016-CPD
以下是北汽幻速相关车型的客服问题,希望对您有帮助
 网络通讯电路图..北汽幻速H2 15 BJ415C [LNBMDBAH7F**]
 ME7电脑端子定义来一份..中华H230 2012 BM15L [LSYYRACA7C**]
 悍马H2油泵线路图..悍马H2 07 6.2 [5GRGN23848**]
 北汽幻速S3发动机电路图,发动机电脑板针脚..北汽幻速S3 2014 BJ415C
 幻速h3ABS泵针脚图..北汽幻速幻速h3 16 bj415c [LNBMDBAF04**]
 06年悍马空调电路图..悍马H2 2006 3.5L [5GTDN13696**]
 充电系统电路图或者维修资料..中华H230EV 2016 CTX61电动机
 无钥匙智能系统电路图..北汽幻速幻速s3l 2016 123 [LNBMDBAH9G**]
 转向角传感器拆装和电路图 ..长城H2 14年 GW4G15B [LGWEE4A47E**]
 模块定位图..北汽幻速S3 14 不知 [LNBMDBAF2E**]
  档位电磁阀电路图..哈弗H2 2015 GW4G15B [LGWEE4A4XF**]
 车身控制系统电路图..哈弗H2s 2017 CW4G15B [LGWEE4A42H**]

Copyright @ 2009 www.car388.com All rights reserved. 蜀ICP备12014226号-2 增值电信增值业务许可证:川B2-20190647 服务电话:028-87038205 87039205 87020205 川公网安备 51010502010015号 公司地址:成都市龙泉驿区经开区南二路309号 鼎峰动力港 企业办公总部基地 12栋
2025-01-15.-.V25VHTML-2025-V18-11-5---2-