[返回列表.]    [免费下载畅易手机版APP ]

用户 ֚Ѕƻ?? **当前提问:空调压力开关线路图

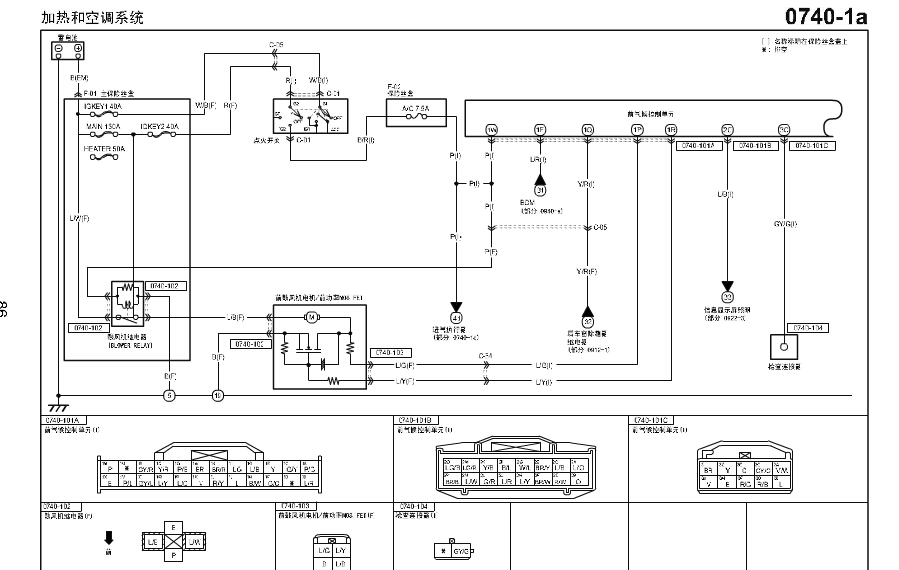
空调压力开关线路图

.用户您好,很抱歉,我们暂时只有10年的m8,请参考畅易汽车维修技术支持平台——》国内汽车厂家——》一汽马自达——》M8——》2010-——》电路图——》加热和空调系统M8空调电路图


用户 ֚Ѕƻ?? ***其他客服问题:
  (汽车启动不着) 1启动点火供油电路图 .. 众信汽车维修奇瑞汽车 开瑞优翼2010.6-SQR477F[LVVDE11A5A** ]
  上汽大通G10空调电路图,装配图.. 上汽大通G102016-20L4E[LsKG4C17GA** ]
  汽油位传感器电路图.. 上海汇众SH65312007-M161G230[LSKF5BC197** ]
  日间行车灯线路图.. 一汽马自达马62015-LF[LFPM4ACC8F** ]
  2011奔腾b50空调电路图.. 众信汽车维修厂奔腾b502011-bwh[lfph3acc4b** ]
  江淮祥和保险丝说明.. 众信汽修厂江淮2010-00000
以下是东台市众信汽车修配厂相关车型的客服问题,希望对您有帮助
 空调压力开关线路图..东台市众信汽车修配厂马自达牌CA6490AT5 2013 70000230 [LFBME308XC**]

Copyright @ 2009 www.car388.com All rights reserved. 蜀ICP备12014226号-2 增值电信增值业务许可证:川B2-20190647 服务电话:028-87038205 87039205 87020205 川公网安备 51010502010015号 公司地址:成都市龙泉驿区经开区南二路309号 鼎峰动力港 企业办公总部基地 12栋
1.-.V25VHTML-2025-V18-11-5---2-