[返回列表.]    [免费下载畅易手机版APP ]

用户 **当前提问:启动系统线路图

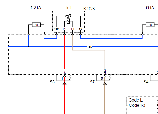
启动系统线路图

.尊敬的用户,欢迎你使用在线客服,你的问题客服人员已为你处理完毕,请下载附件,如有疑问,欢迎和我们联系!奔驰E300L 起动电路图.

附件:17501494189405.rar


用户 ***其他客服问题:
  KR71继电器具体位置.. 别克君越2010-LE5 [lsggf53x8a** ]
  刹车灯开关线路图(6线).. 雪佛兰赛欧32015-L2B[LSGHD54H0F** ]
  经典款朗逸空调线路图.. 上海大众朗逸15年-CSR [LSVNA4186F** ]
  电子方向机EPS的X10547线路走向.. 宝马X12013-1[LBVVZ1109E** ]
  XT4打铁G114位置.. 凯迪拉克XT42021-LSY[LSGZK83LXM** ]
  前挡风玻璃喷水电机线路图.. 沃尔沃XC602019-B4204T23[LYVUE10D4L** ]
以下是 奔驰E级相关车型的客服问题,希望对您有帮助
 启动系统线路图.. 奔驰E级 奔驰E级 2020 264 920 2.0L [LE4ZG8DB5L**]

Copyright @ 2009 www.car388.com All rights reserved. 蜀ICP备12014226号-2 增值电信增值业务许可证:川B2-20190647 服务电话:028-87038205 87039205 87020205 川公网安备 51010502010015号 公司地址:成都市龙泉驿区经开区南二路309号 鼎峰动力港 企业办公总部基地 12栋
2025-04-23.-.V25