[返回列表.]    [免费下载畅易手机版APP ]

用户 13827205 **当前提问:2008年款花冠1.6手动挡,手动空调系统

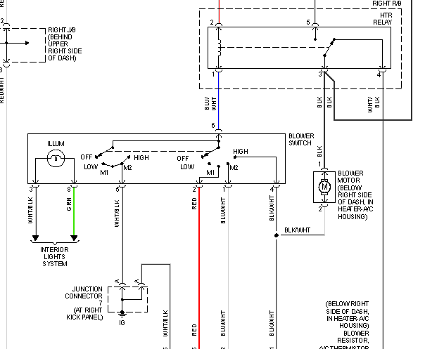
2008年款花冠1.6手动挡,手动空调系统电路图

.尊敬的用户,欢迎你使用在线客服,你的问题客服人员已为你处理完毕,请下载附件,如有疑问,欢迎和我们联系!08年花冠手动空调电路图.

附件:56931540013127.zip


用户 13827205 ***其他客服问题:
  发动机冷车启动机油压力的标准值.. 奔驰汽车S 350 L3.5 手自一体 Grand Edition2012-276 950(3.5)[WDDNG5HB3D** ]
  发动机点火线圈控制系统电路图.. 日产骊威2010年3月-HR16[LGBK22E7XA** ]
  帮我查下发动机冷车启动机油压力的标准值.. 奔驰汽车S 350 L3.5 手自一体 Grand Edition2012-276 950(3.5)[WDDNG5HB3D** ]
  灯光电路图.. 日产轩逸2021款-HR16[LGBH52E01L** ]
以下是一汽丰田花冠相关车型的客服问题,希望对您有帮助
 2008年款花冠1.6手动挡,手动空调系统电路图..一汽丰田花冠花冠1.6 2008年 1ZR [LFMAP22C58**]
 丰田花冠全车线路图..一汽丰田花冠花冠 14年10月 1ZR [LFMAP22C8E**]
 07年花冠防盗电脑针脚定义..一汽丰田花冠花冠 2007年 1ZR [LFMAP22COA**]
 中控门锁线路图..一汽丰田花冠花冠 11 16
 门窗线路图..一汽丰田花冠花冠 07-01 1ZZ [LFMAC22C47**]

Copyright @ 2009 www.car388.com All rights reserved. 蜀ICP备12014226号-2 增值电信增值业务许可证:川B2-20190647 服务电话:028-87038205 87039205 87020205 川公网安备 51010502010015号 公司地址:成都市龙泉驿区经开区南二路309号 鼎峰动力港 企业办公总部基地 12栋
2025-04-30.-.V25