[返回列表.]    [免费下载畅易手机版APP ]

用户 90635446 **当前提问:19年 凯马 发动机电控 电路图

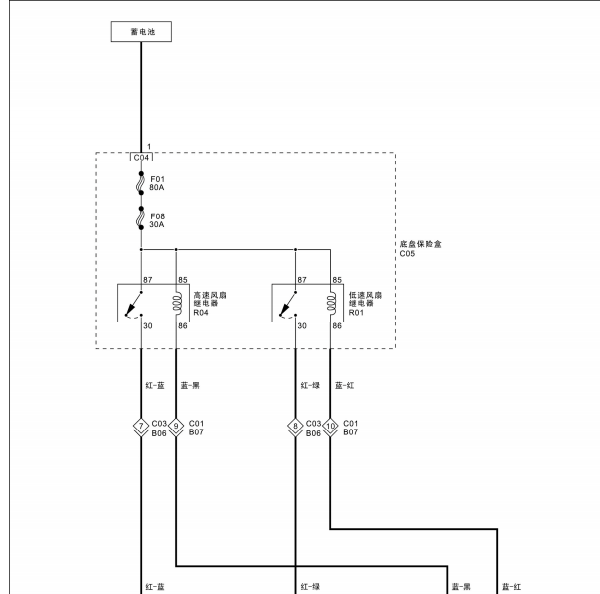
19年 凯马 发动机电控 电路图

.尊敬的用户,欢迎你使用在线客服,抱歉资料库里没有凯马的资料,客服处理了其他车型同款LJ469发动机的资料参考,如需要请下载附件,如有疑问,欢迎和我们联系!.LJ469Q发动机电路图

附件:18431625401609.zip

发动机电控,没有点火 曲位等电路图

.尊敬的用户,欢迎你使用在线客服,抱歉资料库里没有凯马的资料,同款发动机的也只有客服之前给您的那些,没有其他的了,给您带来不便,请您谅解!.


用户 90635446 ***其他客服问题:
test:
  大众迈特威继电器位置图.. 大众迈特威2008-CJK[WV2D887H0K** ]
  别克凯越全车电路图,保险供电图,在里面找.. 别克凯越2011-F16D3[LSGJA52U3B** ]
  08年铃木天语 1.6发动机电脑端子图.. 铃木天语2008-M16A[1** ]
  比亚迪K9 公交车 发一份全车资料 谢谢.. 比亚迪K92016-电
  2007玛莎拉蒂总裁保险示意图.. 玛莎拉蒂总裁2007-M139AQ100[ZAMFD39EX7** ]
以下是凯马相关车型的客服问题,希望对您有帮助
 发动机正正时图 只要是这款发动机就可以 ..凯马锐航X1 2019 LJ4A15Q [LWU2DM1D5K**]
 19年 凯马 发动机电控 电路图..凯马凯马 2019 k07033791 [LWU2DM1D0K**]
 凯马货车发动机电路图..凯马凯马货车 2017 LJ465Q-2AE [LWU2DM1DXH**]
 凯马锐菱喇叭电路图..凯马牌锐菱 2015.4 LJ465q-2ae [lwu2dm1dfk**]
 凯马 自卸车,柴油 发动机电脑 电路图 凯马 ..凯马 凯马天池 自卸车 15年 BNB 15001158 [LWU2PW2C6F**]
 发动机电路图..凯马KMC1040B260DP6 2020 D20TCIF1 [LWU2DM1C7L**]
 凯马锐捷电动车车故障代码表及全车电路图..凯马牌凯马锐捷 2023 TZ185XSTY3206 [LA921MIE6P**]
 正时图..山东凯马汽车凯马 17年 LJ4690 [LWU21M1D2H**]
 凯马锐捷ES26维修手册 ..凯马锐捷锐捷ES26 22 新能源 [LA921M1E8N**]
 凯马锐菱双燃料车无法启动.电脑检车1234缸喷..凯马锐菱山东凯马 2018 LJ465Q-2AE [LWU2DM103J**]
 电脑版针脚图..凯马凯马 2019.09 LJ4A15Q6 [LWU2DM1D8K**]
 发动机缸盖螺丝扭矩..凯马载货车 2020 LJ4A15Q [LWU2SM1DXL**]

Copyright @ 2009 www.car388.com All rights reserved. 蜀ICP备12014226号-2 增值电信增值业务许可证:川B2-20190647 服务电话:028-87038205 87039205 87020205 川公网安备 51010502010015号 公司地址:成都市龙泉驿区经开区南二路309号 鼎峰动力港 企业办公总部基地 12栋
2025-01-14.-.V25VHTML-2025-