[返回列表.]    [免费下载畅易手机版APP ]

用户 ZXMOMO **当前提问:找一下全顺新世代ABS系统电路图,通

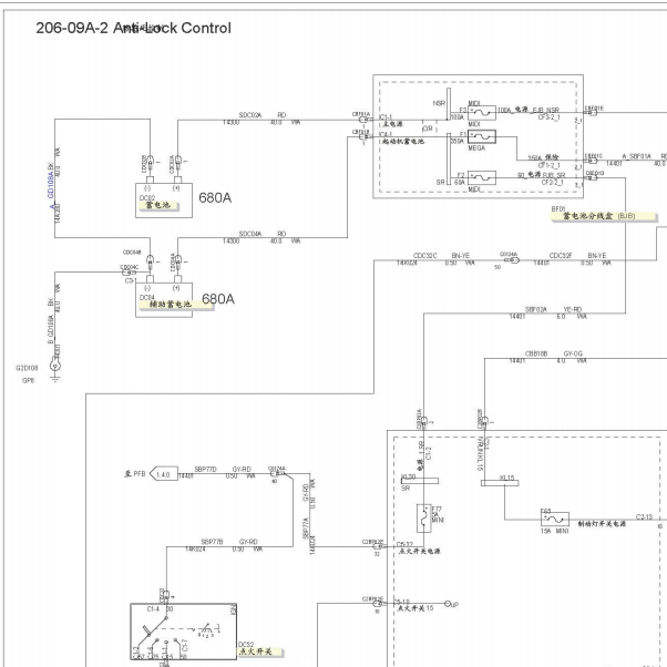
找一下全顺新世代ABS系统电路图,通讯系统电路图

.尊敬的用户,欢迎你使用在线客服,抱歉没有09年的新时代的资料,客服处理了08年的参考,请下载附件,如有疑问,欢迎和我们联系!2008年全顺新世代ABS系统电路图.

附件:33601826277389.zip


用户 ZXMOMO ***其他客服问题:
test:
  要EX25气囊电路图,系统中的图不对.. 英菲尼迪EX252010-VQ25[JNKDJ05E6A** ]
  要大灯和控制电路图.. 华晨金杯新海狮2018-1499[LSYAFAAA3J** ]
  方向电子助力重.. 铃木汽车新奥拓2010-111
  发动机点火,喷油控制电路图和防盗资料.. 三菱格蓝迪不知道-mivec
  要机油压力调节阀安装图,解决P164E00故障码.. 奥迪A6L2016-CLXB 2.5[LFV5A24G8G** ]
  中央门锁控制单元编程码是多少?.. 上海大众帕萨特领驭2007-2.0
以下是江铃全顺相关车型的客服问题,希望对您有帮助
 江铃全顺正时怎么对..江铃全顺JX6491P一M4 2011 DURATEC [LJXBM2DBXB**]
 翻车了发不叫车..江铃全顺江铃全顺柴油电喷 2012 5
 发动机螺栓扭矩..江铃全顺全顺 2012 DURAT0R4D244L [LJXBMDJD9C**]
 全顺后排鼓风机继电器位置..江铃全顺全顺 2009 4D243H [LJXCMDJD28**]
 发动机电路图..江铃全顺全顺 2011-6 DURATEC [LJXBM2J1BT**]
 BCM图片及BCM电路图..江铃全顺JX6533P 2021.11 ECOBOOST4G20B6L [LJXCM3FC2M**]
 帮我找个钥匙点火开关的线路图..江铃全顺JX6571TA-M3 2010.03 DURATORQ4D243H [LJXBMDJD0A**]
 发动机正时..江铃全顺全顺 2016/6 DURATORQ4D244L [LJXBHDJE4G**]
 是否还能帮助查一下全顺车的资料,上次给的..江铃全顺运钞车底盘型号JX1049DLB2 2015/1 JX493ZLQ4 [LJXYACH24F**]
 江铃全顺全车维修手册..江铃全顺JX6571TA-M3 2010.02 DURATORQ4D243H [LJXBMDJD8A**]
 全顺雨刮电路图..江铃全顺牌福特全顺 2010 JX493ZLQ3A [LJXCMCCB9A**]
 查一下发动机电路图..江铃全顺全顺 2011 V348 [1111**]

Copyright @ 2009 www.car388.com All rights reserved. 蜀ICP备12014226号-2 增值电信增值业务许可证:川B2-20190647 服务电话:028-87038205 87039205 87020205 川公网安备 51010502010015号 公司地址:成都市龙泉驿区经开区南二路309号 鼎峰动力港 企业办公总部基地 12栋
2025-01-14.-.V25VHTML-2025-