[返回列表.]    [免费下载畅易手机版APP ]

用户 何老 **当前提问:玻璃升降线路图

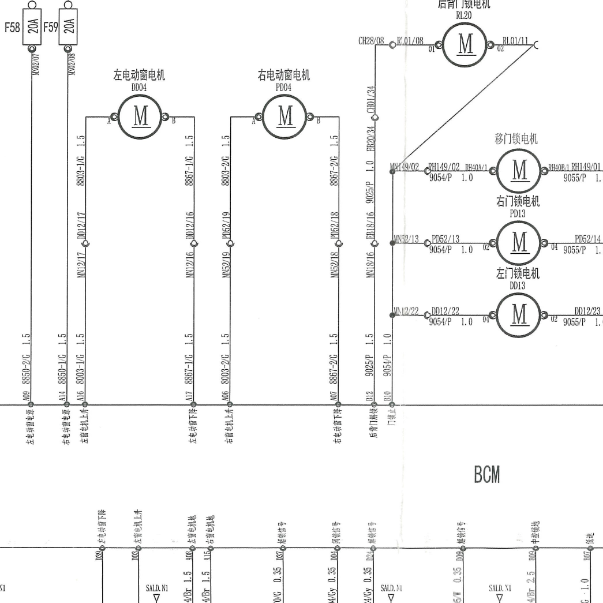
玻璃升降线路图

.尊敬的用户,欢迎你使用在线客服,你的问题客服人员已为你处理完毕,请下载附件,如有疑问,欢迎和我们联系!南京依维柯车窗电路图.

附件:35481862727941.rar


用户 何老 ***其他客服问题:
test:
  奔驰273发动机大修技术数据(扭矩).. 奔驰GL5502010-273963[4JGBF8GE7A** ]
  燃油泵电路图.. 宝马mini16-1[WMWXD7102G** ]
  ABS电脑针脚图.. 丰田兰德酷路泽(进口)2009-1[JTMHU09J59** ]
  网关 四驱模块 变速箱模块 速度控制.. 路虎 揽胜路虎 揽胜2015-1[SALGS2TF9E** ]
  方向机电脑针脚图.. 雷克萨斯LS460/460L2011-1URFSE[JTHCL5EF5B** ]
以下是依维柯相关车型的客服问题,希望对您有帮助
 发动机电脑电路图..依维柯NJ1045DFCZ 2016-9 F1CE34818 [LNYSBKA44G**]
 2021年依维柯欧胜保养灯归零..依维柯欧胜 2021 F1AE3481D 2.3排量 [LNPHDRAGXM**]
 2018年依维柯索菲姆8140.43S5发动机电路图..依维柯依维柯箱式货车 2018 索菲姆8140.43S5
 18年依维柯车身BCB 线路图和维修资料..依维柯NJ5045 18 2998
 发动机舱80A保险丝电路图..依维柯得意 2015 111 [LNPHCUAG0J**]
 故障码分析表..依维柯NJ5044XXYQC 2015 SOFIM8140.43F4 [LNYPBAA33G**]
 仪表及全车电路图..依维柯NJ6597SFF15 2007.12 SOFIM8140.43 [LNVK1BA347**]
 南京依维柯发动机正时皮带安装图..南京依维柯国3 13 SQFIM8140.46 [LNVU1CA35D**]
 依维柯都灵空调电路图..南京跃进依维柯 2013 123 [321**]
 仪表电路图看不清..依维柯宝迪 2010 SOFIM8140.46 [LNVU1CA33B**]
 10款依维柯电脑版针脚图及发动机电路图..依维柯宝迪 2010 SOFIM8140.46
 节气门电路 空调电路..南京依维柯依维柯 2014 SOFIM [LNVF1CA37E**]

Copyright @ 2009 www.car388.com All rights reserved. 蜀ICP备12014226号-2 增值电信增值业务许可证:川B2-20190647 服务电话:028-87038205 87039205 87020205 川公网安备 51010502010015号 公司地址:成都市龙泉驿区经开区南二路309号 鼎峰动力港 企业办公总部基地 12栋
2025-01-14.-.V25VHTML-2025-