[返回列表.]    [免费下载畅易手机版APP ]

用户 马育 **当前提问:发动机针脚图及发动机线路图

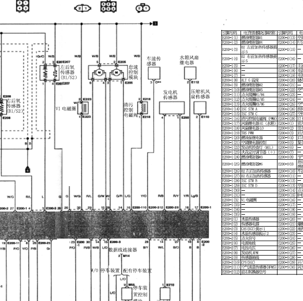
发动机针脚图及发动机线路图

.尊敬的用户,欢迎你使用在线客服,你的问题客服人员已为你处理完毕,请下载附件,如有疑问,欢迎和我们联系!华泰特拉卡G6CU 发动机电路图针脚..

附件:84101903794165.rar

.尊敬的用户,欢迎你使用在线客服,你需要的资料在《畅易汽车维修技术支持平台》是有的,请直接登陆查询!查询方法:国内厂家 ->华泰汽车-特拉卡(Terracan)-2006[ 线路图 ]->示意图-SD ->多点燃油喷射控制系统(汽油机)(第52页).2006年华泰汽车-特拉卡(Terracan)-发动机线路图

.尊敬的用户,欢迎你使用在线客服,你需要的资料在《畅易汽车维修技术支持平台》是有的,请直接登陆查询!查询方法:国内厂家->华泰汽车-特拉卡(Terracan)-2006[ 维修手册/诊断 ]->2006特拉卡新版维修手册->发动机G6CU-GSL3.5->汽油发动机控制系统->发送机控制模块配线图.2006年华泰汽车-特拉卡(Terracan)-发动机针脚图


用户 马育 ***其他客服问题:
  车身电脑BCM线路图及网络图.. 力帆迈威2017 02-LF475Q-H[LCN64EE42H** ]
  发动机系统线路图.. 上海雪佛兰新赛欧2016 05-LEW[LSGHD528XG** ]
  波箱档位开关电路图及钥匙锁止电磁阀电路图.. 保时捷CAYMANS2005.08-M97/21[WPOAB29828** ]
  唤醒线电路图.. 宝马X12011-N52B30AE[WBAVL5105B** ]
  诊断插头(OBD)针脚图.. 东风本田CRV2007 05-R20A1[LVHRE26467** ]
  天窗线路图和尾门线路图.. 福特探险者(进口)2014 03-8[1FM5K8F81E** ]
以下是华泰相关车型的客服问题,希望对您有帮助
 特拉卡车身模块和门锁线路图..荣城华泰特拉卡 2012年 4G69S4N [lrh17a4e3c**]
 车辆参考电压的电路图,和发动机电路图以及..华泰圣达菲 09 1.8T
 发动机电路图..华泰吉田 2055 G6At [LG12GD2A55**]
 发动机Ecu保险位置,发动机电脑ecu电路图,..华泰汽车圣达菲2.0T 手自一体 VGT四驱标准型 2006 D4EA(2.0) [Lrh14b1b37**]
 华泰圣达菲1.8t发动机电脑针脚图..华泰圣达菲1.8t 10 18k4g [LRH12R2B3A**]
 华泰元田发动机变速箱通讯电路图..华泰元田 2010 18k4g [LRH18R5F2A**]
 雨刮器电路图..华泰圣达菲 2007 D4EA
 车辆发抖 查一下是不是双质量飞轮..华泰汽车 中国国产宝利格 2012年 118kw 161hp 215nm [LR12R2D7C0**]
 发动机针脚图及发动机线路图..华泰特拉卡 2006 G6CU [LG12GA2EXZ**]
 麻烦看下资料库有没有华泰吉田发动机电脑通..华泰吉田 2005 G6AT [LG12GD2AX3**]
 2006年 圣达菲的柴油2.0T发动机电路图和四驱电..华泰现代圣达菲 2006 2.0T
 发动机电路图 防盗电路图..华泰宝利格 2013 汽油 1.8T

Copyright @ 2009 www.car388.com All rights reserved. 蜀ICP备12014226号-2 增值电信增值业务许可证:川B2-20190647 服务电话:028-87038205 87039205 87020205 川公网安备 51010502010015号 公司地址:成都市龙泉驿区经开区南二路309号 鼎峰动力港 企业办公总部基地 12栋
2025-05-26.-.V28**VHTML-2025-V18-11-5---2-