[返回列表.]    [免费下载畅易手机版APP ]

用户 zhongjia **当前提问:空调系统电路图,谢谢

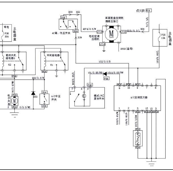
空调系统电路图,谢谢

.尊敬的用户,欢迎你使用在线客服,你的问题客服人员已为你处理完毕,请下载附件,如有疑问,欢迎和我们联系!2016年开沃D12 空调电路图.

附件:54951983086454.rar


用户 zhongjia ***其他客服问题:
  奇瑞EQ整车电路图 .. 奇瑞EQ17-纯电[LVVDB17BXG** ]
  宝骏530网络拓步图.. 上汽五菱宝骏5302018/12-LJO[LZWADAGAXJ** ]
  君马赛克5 电动尾门电路图.. 江南汽车君马赛克52018-8-TLE4G15T[LJ8N3D5DXJ** ]
  君马赛克5 OBD诊断端口线路图.. 江南汽车君马 赛克52018/08-TLE4G15T[LJ8N3D5DXJ** ]
  北汽新能源ES210 VCU线路图.. 北京汽车ES2102015/11-TZ40S01[LNBSCC3H0F** ]
  野马电路图及空调电路图.. 野马EC702016-纯电动[LZ91AE3A7H** ]
以下是南京金龙相关车型的客服问题,希望对您有帮助
 依维柯仪表线路图..南京金龙依维柯 2017 YS210XB02 [LMJDBAA35B**]
 找2021年创维EV6新能源维修手册带电路图..南京金龙创维EV6 2021 电动机 [查找中**]
 空调系统电路图,谢谢..南京金龙NJL6600BEV32 2016.11 GLMP60L0 [LC9KA4EG3G**]
 车辆无法行驶,查找三电电路图..南京金龙开沃D10 2019 TZ208XS103 [LMEEBL1G9K**]
 麻烦查询一下开沃D07的所有灯光电路图..南京金龙开沃D07 2019 电机 [LMELBG2H2K**]
 新能源车辆电路图..南京金龙开沃 2020 TZ185XS022 [LMELBL2G3L**]
 南京金龙电动大客电路图..南京金龙客车 2015 ---- [LB9KC4EG4F**]
 空调系统电路图..南京金龙开沃 2018 纯电 [LMELBL2H6J**]
 这个车的VCU电路图..南京金龙开沃D10 2019 1 [LMEEBL1G4K**]
 BMS电池管理线路图..南京金龙客车开沃 2020.07 TZ185XS022 [LMELBL2G3L**]
 没有南京金龙纯电动车的资料..南京金龙纯电动车客车 15 电动车
 新能源电路图..南京金龙金龙 2015年10月 358.4 [LBGKB4ED2F**]

Copyright @ 2009 www.car388.com All rights reserved. 蜀ICP备12014226号-2 增值电信增值业务许可证:川B2-20190647 服务电话:028-87038205 87039205 87020205 川公网安备 51010502010015号 公司地址:成都市龙泉驿区经开区南二路309号 鼎峰动力港 企业办公总部基地 12栋
2025-05-24.-.V28**VHTML-2025-V18-11-5---2-