[返回列表.]    [免费下载畅易手机版APP ]

用户 dxmc **当前提问:13款标致变速箱线路图

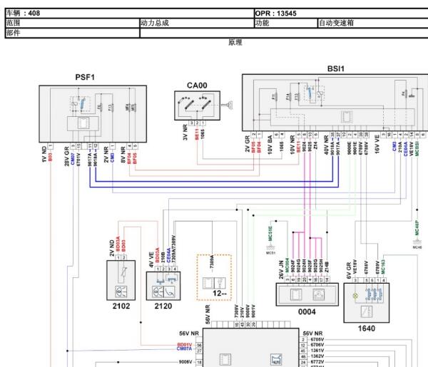
13款标致变速箱线路图

.尊敬的用户,欢迎你使用在线客服,你的问题客服人员已为你处理完毕,请下载附件,如有疑问,欢迎和我们联系!2013年标致408变速箱电路图.

附件:27571984179265.zip


用户 dxmc ***其他客服问题:
  变速箱电脑线路图 .. 哈佛h62016-GW4G15B[LGWEF4A57G** ]
  后部保丝安装图.. 欧宝雅特2010-Z18XER[W0LAH8211A** ]
  挂挡杆线路图.. 福特蒙迪欧2011-GTDIQ0[LVSHBFDC3B** ]
  发动机舱保险丝定义.. 本田奥德赛2014-K24Z2[LHGRB3851E** ]
  麻烦找下09年2.0君越发动机系统燃油泵继电器.. 别克君越2009-LTD[LSGGA54Y79** ]
  变速箱的线路图和运动与雪地模式开关的线路.. 东风标致标致3082016/10-DC7169LSAB[LDC983T42G** ]
以下是标致相关车型的客服问题,希望对您有帮助
 这车的变速箱维修资料 变速箱内部拆解资料..标致508 2011 11 PAS 3FY 10XP01 [LDCB13R47B**]
 都说驾驶室了你还搞错. BSI的F10保险丝供给谁..标致308(进口) 2009-08 5FT [VF34H5FT98**]
 发动机针脚定义和电路图..标致307 07 N6A10XA3APSA [LDC923L307**]
 标致307暖风控制电路图..标致307 2008 不知 [LDC933L237**]
 13款标致变速箱线路图..标致408 2013 NFP [LDC943T30D**]
 空调系统电路图位置图..标致607 2004、06 2946 CM3-152KW [VF39DXFXF3**]
 东风标致408abs线路图..东风标致408 2013 PSA RFN 10LH3X [LDC943X21C**]
 正时皮带怎么对,发动机型号是PSAKFN10LH3X..东风标致408408 2010
 标致308发动机电路图和保险丝盒位置..标致308 19 HN03 [LDC983442K**]
 急需308 1.6 VTi[EP6(5 FW)]的保养归零设置方法,..标致308 1.6 VTi[EP6(5 FW)] 2007-2011
 标致408为什么电路图上的零件只标编号,没有..东风标致408 2014 WEZ [LDC973Y4XF**]
 音响电路图和针脚图..神龙汽车408X1.6T 手自一体 引力版 2023 5G06(1.6) [LDCP51953P**]

Copyright @ 2009 www.car388.com All rights reserved. 蜀ICP备12014226号-2 增值电信增值业务许可证:川B2-20190647 服务电话:028-87038205 87039205 87020205 川公网安备 51010502010015号 公司地址:成都市龙泉驿区经开区南二路309号 鼎峰动力港 企业办公总部基地 12栋
2025-05-24.-.V28**VHTML-2025-V18-11-5---2-