[返回列表.]    [免费下载畅易手机版APP ]

用户 18181856 **当前提问:没有分电器电路图

没有分电器电路图

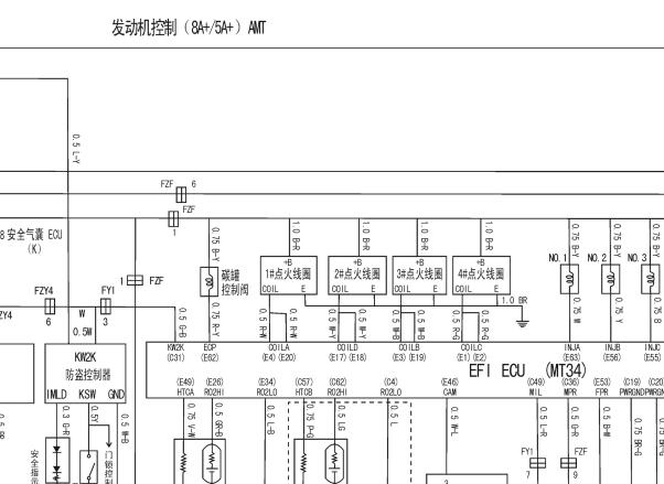
.尊敬的用户,欢迎你使用在线客服,客服与您取得电话联系,向您说明了没有2009年威乐的资料,其他相近年款的威乐也没有分电器的资料,沟通后为您处理了“5A和8A”发动机电路图资料参考,请下载附件查看。给您带来不便,请谅解!天津一汽威乐发动机电路图.

附件:28252106045280.zip


用户 18181856 ***其他客服问题:
test:
  帮忙找一下燃油泵系统电路图.. 现代全新胜达2011-g4k1[KMHSH81B2B** ]
  没有仪表电路图.. 东风日产轩逸2012-mr20[,LGVH1AE07** ]
  变速箱电路图和电子挂挡杆电路图.. 宝马740li12-N54[Wbakb4109c** ]
  没有车窗电路图.. 一汽丰田普拉多2009-1gr[LFMGJ27219** ]
  庆铃taga雨刮电路图.. 庆铃taga2018-4kg1ct5h1[lwltfadh4j** ]
  发动机电脑版线路图.. 广东福迪雄狮2010-gw2.8tc-2[LVZSRA1B8A** ]
以下是天津一汽相关车型的客服问题,希望对您有帮助
 丰田锐志转向助力线路图和转向助力上的电机..天津一汽丰田汽车有限公司丰田锐志 12-11 lfmbec4d9c0141806 [tv7252v**]
 骏派d60 全车电路图..天津一汽骏派d60 15 不知道 [不知道**]
 发动机电脑板针脚图..天津一汽夏利 2007-10 TJ3760E [LFPX1ACA37**]
 05年12代丰田皇冠空调系统维修手册没有..天津一汽丰田皇冠 2005 3GR [LTVBG87485**]
 2021年丰田奕泽,发动机冷却液旁通阀B,电路..天津一汽丰田奕泽 2021年3月 M20E [LFMCC1CXXM**]
 防盗盒针脚图..天津一汽n5 2015 HE811092 [LFPX2A8E5E**]
 燃油显示电路图..天津一汽皇冠 10年 5GR [LFMBEK4B3A**]
 14年花冠1ZR发动机电路图..天津一汽丰田TV7166GD 14 1ZR [LFMAP22C8E**]
 17年夏利n5发动机电路图..天津一汽夏利n5 17 000 [00**]
 发动机电脑针脚定义图给一个..天津一汽威志v5 2012 CA4GA5 [LFP73ACA4C**]
 发动机电路图和电脑板针脚图..天津一汽花冠 2010-07 1ZR [LFMAP22C4A**]
 麻烦找一下19款丰田卡罗拉油电混合全车电路..天津一汽丰田丰田卡罗拉19款双擎 2020 8ZR [LFMA1ACC5L**]

Copyright @ 2009 www.car388.com All rights reserved. 蜀ICP备12014226号-2 增值电信增值业务许可证:川B2-20190647 服务电话:028-87038205 87039205 87020205 川公网安备 51010502010015号 公司地址:成都市龙泉驿区经开区南二路309号 鼎峰动力港 企业办公总部基地 12栋
2025-01-13.-.V25VHTML-2025-