[返回列表.]    [免费下载畅易手机版APP ]

用户 英华 **当前提问:倒车雷达模块进水,换了没反应,电

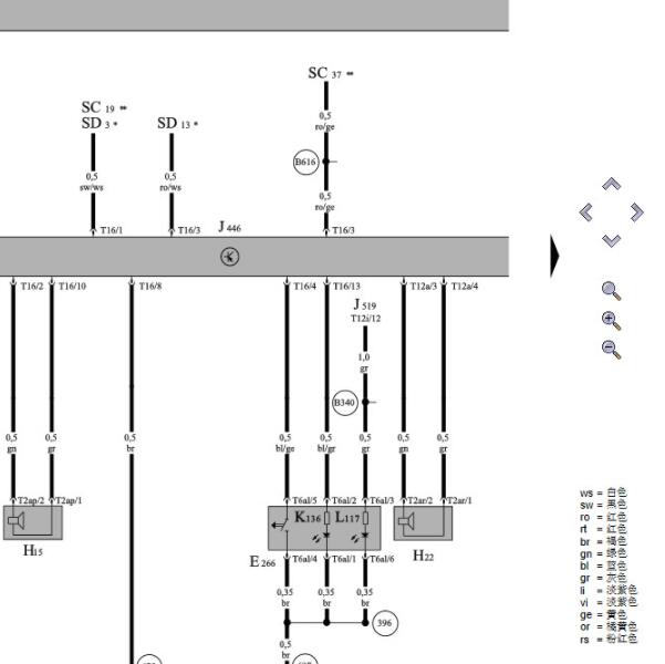
倒车雷达模块进水,换了没反应,电脑也进不去,关健你们资料图和实际车型匹配不上

.尊敬的用户,欢迎你使用在线客服,客服根据你的车架号在大众系统给您重新查找了倒车雷达电路图和维修位置资料。请下载附件,如有疑问,欢迎和我们联系!.2009年大众迈腾倒车雷达电路图

附件:84162127496958.rar


用户 英华 ***其他客服问题:
test:
以下是一汽大众迈腾相关车型的客服问题,希望对您有帮助
 14款迈腾前部车架数据尺寸..一汽大众迈腾FV7187FBDW 2014/02/17 CEA [LFV3A23C1E**]
 一汽大众迈腾正时图(我的电脑可能是设置的..一汽大众迈腾迈腾 2009年12月20日 BYJ 1.8 [LFV3A23C99**]
 转向角度传感器在吗匹配..一汽大众迈腾迈腾 2009
 资料库没有找到换大灯后怎么匹配设定 是自..一汽大众迈腾迈腾 08年 1.8T
 全车电路图..一汽大众迈腾FV7187FBDBG 2014年10月 CEA [LFV3A23C4E**]
 09年大众迈腾转向锁J764和点火开关E415还有转..一汽大众迈腾FV7187TDQG 2009.06 BYJ [LFV3A23C19**]
 2019年大众新迈腾左右LED大灯电路图..一汽大众迈腾FV7207BDDDG 2019.07 DKV [LFV3A23C2K**]
 帮我找一下发动机上的水温传感器安装位置..一汽大众迈腾迈腾FV71871 2007 BYJ [LFV3A13C67**]
 请给一份15款迈腾左前门把手电路图..一汽大众迈腾三厢轿车 2015 1.8T [LFV3A23C6F**]
 帮我找一下;信息电子装置控制单元1,安装..一汽大众迈腾MAGOTAN 2018.02.13 CUF [LFV3A23C9J**]
 倒车雷达模块进水,换了没反应,电脑也进不..一汽大众迈腾迈腾2.0TFv720TDQG 09年11月 CBL [LFV3A23C59**]

Copyright @ 2009 www.car388.com All rights reserved. 蜀ICP备12014226号-2 增值电信增值业务许可证:川B2-20190647 服务电话:028-87038205 87039205 87020205 川公网安备 51010502010015号 公司地址:成都市龙泉驿区经开区南二路309号 鼎峰动力港 企业办公总部基地 12栋
2025-01-13.-.V25VHTML-2025-V18-11-5---2-