[返回列表.]    [免费下载畅易手机版APP ]

用户 13541211 **当前提问:空气流量计的电路图

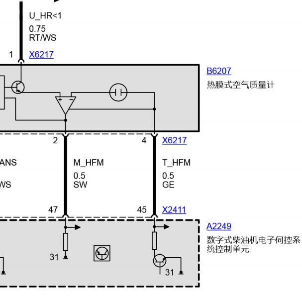
空气流量计的电路图

.尊敬的用户,欢迎你使用在线客服,你的问题客服人员已为你处理完毕,请下载附件,如有疑问,欢迎和我们联系!2007年宝马750 发动机空气流量质量计.

附件:83262193866363.rar


用户 13541211 ***其他客服问题:
  后备箱开关电路图.. 奔驰 CLA 200 2020- 282 914 [W1K5M8HB8M** ]
  电动座椅电路图.. 大众途观2016- CEA [LSVXZ65N3G** ]
  帮我查一下这车变数箱电路图.. 吉普指南者2013-2.0[1C4NJCAA9D** ]
  帮我查一下脚步空间模块位置.. 宝马320LI2019-B48B20C[LBV8W3106J** ]
  车外后视镜电路图.. 奔驰 GLK 300 2012- 272 948 [LE4GG8BB2C** ]
  发动机电路图.. 丰田普锐斯2012-5ZR-FXE[LFMCZ34E7F** ]
以下是宝马750Li相关车型的客服问题,希望对您有帮助
 全车线路图和控制单元位置图..金杯牌750Li 2016、03 DLDG15 [LSYAAAAB7G**]
 宝马750Li全车电路图和发动机电路图及电器元..宝马750Li 2011 N63 [WBAKC8104C**]
 宝马750Li润滑系统油路..宝马750Li 2009 N63 [WBAKB81099**]
 打气泵继电器安装位置..宝马750Li 2011 N63B44A [WBAKC8100B**]
 宝马750Li维修手册..宝马750Li 2011 1234566 [5555555555**]
 保险丝线路分配,仪表电源线路图,能源模块..宝马750Li 05 N62B48B [WBAHN81056**]
 娱乐系统线路01SS..宝马750Li 2009 N63B44A [WBAKB81019**]
 空气流量计的电路图..宝马750Li750Li 2007 N62B48B [WBAHN81058**]
 ABS的电路图..宝马750Li 2005 N62B48B [WBAHN81078**]
 2010-2011年宝马750Li全车电路图SS..BMW(宝马)750Li 2010/2011 . [.**]
 发动机电脑板针脚图..金杯750750Li 2016 DLG15 [LSYAAAAB4G**]
 发动机电脑针脚图..金杯750750Li 2016 DLG15 [LSYAAAAB4G**]

Copyright @ 2009 www.car388.com All rights reserved. 蜀ICP备12014226号-2 增值电信增值业务许可证:川B2-20190647 服务电话:028-87038205 87039205 87020205 川公网安备 51010502010015号 公司地址:成都市龙泉驿区经开区南二路309号 鼎峰动力港 企业办公总部基地 12栋
2025-05-22.-.V28**VHTML-2025-V18-11-5---2-