[返回列表.]    [免费下载畅易手机版APP ]

用户 15045702 **当前提问:发动机电脑 节气门 油门踏板 进气压

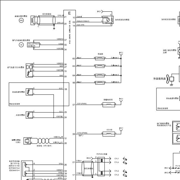
发动机电脑 节气门 油门踏板 进气压力 氧传感器 凸轮轴位置电路图 谢谢

.尊敬的用户,欢迎你使用在线客服,非常抱歉,资料里金龙御骏的资料,也没有V20的发动机电路图,客服了解到该发动机是MT80的电脑,客服给您查找了福尔福MT80的电路图和针脚作为参考,如有需要,请下载附件,如有疑问,欢迎和我们联系!福尔福MT80 发动机电脑电路图.

附件:11652222495713.rar


用户 15045702 ***其他客服问题:
  发动机针脚定义和电路图.. 长安福特蒙迪欧致胜2.0T 双离合 GTDi240 豪华运动型2011-GTDIQ1(2.0)[LVSHBFDC3D** ]
  这个车的BCM电路图 帮我查一下.. 思皓 思皓X8 2021- HFC4GC1.6E [LJ166A253M** ]
  哈弗H9的 汽油泵 拆解 和电路图.. 哈弗H92018-GW4C20A[LGWFF8A68J** ]
  别克昂科雷电瓶正极出来一个绿色插头带一个.. [昂科雷][昂科雷]08/11-LlT[5GAKV7ED9C** ]
  我需要汽油版控制模块到前面的电路图,平台.. 长安福特蒙迪欧致胜2.0T 双离合 GTDi240 豪华运动型2011-GTDIQ1(2.0)[LVSHBFDC3D** ]
  雪铁龙世嘉暖风控制面板到暖风电机线路图 .. LDCC13L22D1473192雪铁龙世嘉2013-N6A 10XA3A PSA[LDCC13L22D** ]
以下是苏州金龙海格相关车型的客服问题,希望对您有帮助
 海关格发动机电路图..苏州金龙海格皮卡 14年 4G22B [KLQ5020XXY**]
 金龙的空调管走向图片..苏州金龙海格御骏 2011 JM491Q-ME [LKLSBAS45C**]
 电动车窗电路图..苏州金龙海格御骏皮卡 2015 4G22B [LKLSBAS41F**]
 苏州金龙海格,仪表上发动机转速表指针不指..苏州金龙海格KLQ6115H 42座 2012年6月 YC6G270 [LKLR1FSF5C**]
 水温表和电子风扇电路图系统..海格苏州金龙御骏 2014 JE493ZLQ4CB [LKLSAAS36L**]
 发动机电脑 节气门 油门踏板 进气压力 氧传..苏州金龙海格御骏 2011 V20 [LKLSBAS49B**]
 整车控制器电脑工作线路图..苏州金龙海格新能源电动客车海格牌KLQ6601BEV 2015 1S5005CJ1157S0022 [LKL1FBA95F**]

Copyright @ 2009 www.car388.com All rights reserved. 蜀ICP备12014226号-2 增值电信增值业务许可证:川B2-20190647 服务电话:028-87038205 87039205 87020205 川公网安备 51010502010015号 公司地址:成都市龙泉驿区经开区南二路309号 鼎峰动力港 企业办公总部基地 12栋
2025-05-22.-.V28**VHTML-2025-V18-11-5---2-