[返回列表.]    [免费下载畅易手机版APP ]

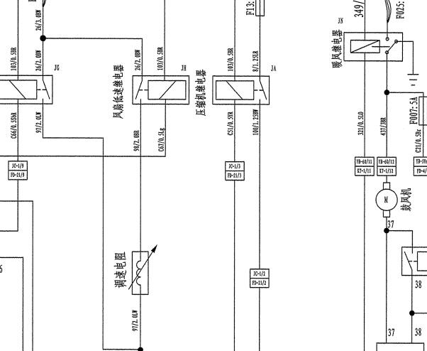
用户 18648306 **当前提问:上海英伦SC715散热器电子扇控制线路图

上海英伦SC715散热器电子扇控制线路图

.尊敬的用户,欢迎你使用在线客服,你的问题客服人员已为你处理完毕,请下载附件,如有疑问,欢迎和我们联系!2010年吉利英伦SC7发动机冷却风扇电路图.

附件:66912224286496.zip


用户 18648306 ***其他客服问题:
  悍途冷却风扇控制线路图.. 江淮悍途2022-HFC4DB2-2E[LJ11PABD6N** ]
  G4NA发动机维修数据.. 起亚智跑2012年9月-G4NA[LJDJAA148C** ]
  灯光控制线路图? .. 长城哈弗H52015-4G63S4T[LGWFF5A56F** ]
  油泵控制模块位置.. 丰田 陆地巡洋舰 2007- 2UZ-FE [LFMGL07376** ]
  油泵控制线路图.. 雷克萨斯LX4702004-2UZ~FE
  1FZ-FE凸轮轴齿轮的正时校对记号?.. 丰田45002006-1FZ-FE[JTEHJ09JX6** ]
以下是中国上海华普汽车有限公司相关车型的客服问题,希望对您有帮助
 英伦德尔福MT80的发动机电脑图纸和防盗控制..中国上海华普汽车有限公司华普汽车 2011.01 JL5G15D [LJU8824S6B**]
 英伦SC715电路图..中国上海华普汽车有限公司制造英伦牌SMA715IK01 2011 4G15 [LJU8824SXB**]
 上海英伦SC715散热器电子扇控制线路图..中国上海华普汽车有限公司上海英伦 2011.01 JL4G15D [LJU8824S5B**]

Copyright @ 2009 www.car388.com All rights reserved. 蜀ICP备12014226号-2 增值电信增值业务许可证:川B2-20190647 服务电话:028-87038205 87039205 87020205 川公网安备 51010502010015号 公司地址:成都市龙泉驿区经开区南二路309号 鼎峰动力港 企业办公总部基地 12栋
2025-05-22.-.V28**VHTML-2025-V18-11-5---2-