[返回列表.]    [免费下载畅易手机版APP ]

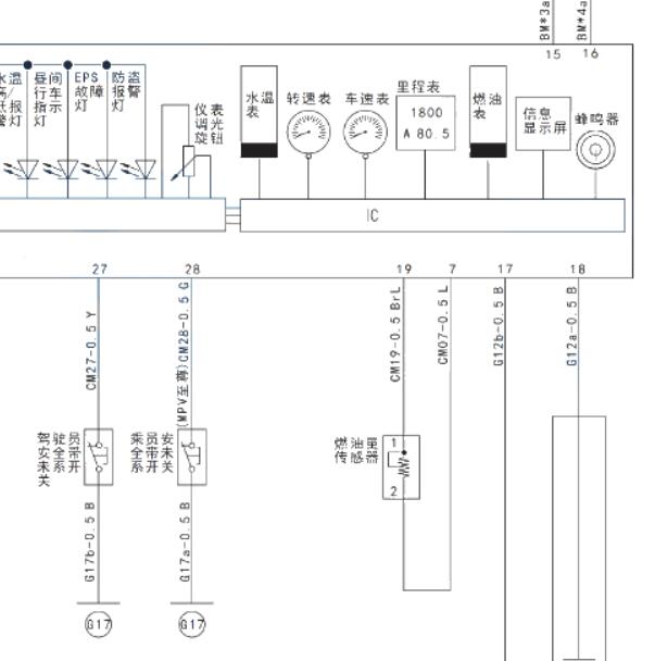
用户 18152285 **当前提问:里程表线路图

里程表线路图

.尊敬的用户,欢迎你使用在线客服,你的问题客服人员已为你处理完毕,请下载附件,如有疑问,欢迎和我们联系!2012年广汽吉奥奥轩G5 里程表电路图.

附件:41942256952783.rar


用户 18152285 ***其他客服问题:
test:
  查一下这车无钥匙进入电路图.. 雷诺汽车Koleos [科雷傲]2.5 无级 四驱豪华版2010-2TRA703(2.5)[VF1VYRTY4B** ]
  这车的水温电路图,电路图显示三根线,车上.. 华泰 特拉卡2009-4G64 2.4L[LRH17A4E89** ]
  所有灯光电路图.. 庆铃柴油皮卡皮卡2011-4JB1[LWLTFS7D6B** ]
  后杠雾灯,倒车灯 转向灯线路.. 上汽通用五菱 KiWi EV KiWi EV2022-1[LK6ADAE22N** ]
  变速箱手册,和平台上的不一样呢.. 大众帕萨特 2014-CEA[LSVCT6A49E** ]
  4WD电路图.. 长城风骏62018.12-1[LGWDB3186J** ]
以下是广汽吉奥相关车型的客服问题,希望对您有帮助
 有没有广汽吉奥GX5 12年的全车电路图..广汽吉奥GX5 12 1 [1**]
 吉奥GX6雨刷电路..广汽吉奥Gx6 14年 AG69S4N [LCR6R5245E**]
 ABS电路图..广汽吉奥吉奥 2012 4G63S4M [LCR6T5142C**]
 广汽吉奥E美 2014维修手册 SS..广汽吉奥吉奥E美 2014 0 [0**]
 遥控匹配方法..广汽吉奥GP150 2015 GA4D25TC [LCR1B41D0F**]
 ABS线路图与中控线路图..广汽吉奥GX5 14年1月 4G69S4N [LCR6R514XE**]
 2013年吉奥星朗跟转速有关的线路图..广汽吉奥星朗 2013 TNN4G13 [LCR6S5120E**]
 12年广汽吉奥G5 ABS线路图..广汽吉奥G5 2012年 2.4L
 里程表线路图..广汽吉奥 奥轩G5 2012-02 4G69S4N [LCR6T5140C**]
 一键启动电路图..广汽吉奥GX6 2015年 2.4 [LCR6R5244F**]
 广汽吉奥ABS泵线路图..广汽吉奥GX6 2015 4G69S4N [LCR6R5146F**]
 广汽吉奥-星朗的雨刮电路图..广汽吉奥星朗 2014 4A91S [LC R6S5126**]

Copyright @ 2009 www.car388.com All rights reserved. 蜀ICP备12014226号-2 增值电信增值业务许可证:川B2-20190647 服务电话:028-87038205 87039205 87020205 川公网安备 51010502010015号 公司地址:成都市龙泉驿区经开区南二路309号 鼎峰动力港 企业办公总部基地 12栋
2025-01-13.-.V25VHTML-2025-