[返回列表.]    [免费下载畅易手机版APP ]

用户 qq101029 **当前提问:转向灯电路图。

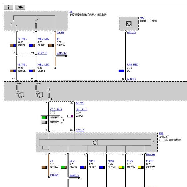
转向灯电路图。

.尊敬的用户,欢迎你使用在线客服,你的问题客服人员已为你处理完毕,请下载附件,如有疑问,欢迎和我们联系!.2012年劳斯莱斯古思特转向灯电路图

附件:11162296789759.zip


用户 qq101029 ***其他客服问题:
  尾门锁体控制线路图.. 东风本田CRV12-2.4
  发动机真空管布局。.. 长安福特翼虎2.0GTDi 手自一体 四驱精英型2013-CAF488WQ2(2.0)[LVSHJCAC3D** ]
  环境空气温度,传感器位置。.. 上汽通用君威1.5T 手自一体 20T 豪华型(改款)2019-LFV(1.5)[LSGZR5358L** ]
  丰田坦途分动箱电机正时.. 丰田坦途00-0[0** ]
  鼓风机线路图.. 斯巴鲁汽车Outback [傲虎]2.5i 无级 雅尚运动版2014-FB25(2.5)[JF1BR98D6E** ]
  发动机电脑板电路图。.. 东风汽车K01L1.1 手动 长轴2015-AF11-05(1.1)[LVZKN2196F** ]
以下是劳斯莱斯相关车型的客服问题,希望对您有帮助
 发动机维修手册。特别是更换冷却液进流管的..劳斯莱斯幻影 2012 N73B68A [SCA681L08D**]
 找一下气减震电脑模块,供电线路图..劳斯莱斯古思特 2012 N74B66A [SCA664S05C**]
 麻烦找一下空气悬挂的维修手册..劳斯莱斯幻影 2018 1 [SCA687S00K**]
 幻影维修手册 SS..劳斯莱斯幻影 2014/2015/2016 . [.**]
 安吉星模块位置。..劳斯莱斯Dawn [曜影]6.6T 手自一体 标准型 2018 N74B66A(6.6) [SCA666D07K**]
 更换右前门锁资料 还有是否需要匹配..劳斯莱斯Cullinan [库里南]6.7T 自动 Black Badge 2020 N74B68A(6.7) [SLATV8C0XP**]
 转向灯电路图。..劳斯莱斯Ghost [古思特]6.6T 自动 加长版 2012 N74B66A(6.6) [SCA664L01C**]
 麻烦找一下防盗报警器喇叭位置..劳斯莱斯幻影 2013 N73B68 [SCA681L05C**]
 帮我查询一下此车有举升模式(千斤顶)的关..劳斯莱斯GhostEWBXZ41 2011 10 N74B66A [SCA664L07C**]
 劳斯莱斯古斯特增压器电子水泵线路图..劳斯莱斯古斯特 2012 N74 [SCA664S02C**]
 08年劳斯莱斯幻影马达启动继电器位置..劳斯莱斯幻影 2008 无 [无**]
 1984年劳斯莱斯电动座椅电路图..劳斯莱斯未知 1984 V8

Copyright @ 2009 www.car388.com All rights reserved. 蜀ICP备12014226号-2 增值电信增值业务许可证:川B2-20190647 服务电话:028-87038205 87039205 87020205 川公网安备 51010502010015号 公司地址:成都市龙泉驿区经开区南二路309号 鼎峰动力港 企业办公总部基地 12栋
2025-05-22.-.V28**VHTML-2025-V18-11-5---2-