[返回列表.]    [免费下载畅易手机版APP ]

用户 gz万 **当前提问:组合继电器电路图

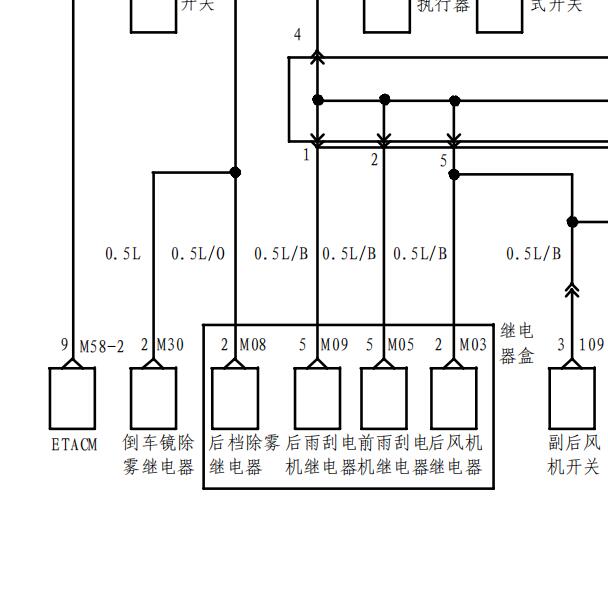
组合继电器电路图

.尊敬的用户,欢迎你使用在线客服,抱歉该车没有11年资料,客服为您处理的08年资料参考,你的问题客服人员已为你处理完毕,请下载附件,如有疑问,欢迎和我们联系!.2008年江淮瑞风祥和组合继电器电路图

附件:67322349676925.zip


用户 gz万 ***其他客服问题:
test:
  13年1.5T手动变速箱维修资料(刚才后台提交资.. 长城哈弗H62013年9月-4G15B[LCWEF4A58D** ]
  13年1.5T 6速手动变速箱维修资料(急用).. 长城哈弗H62013-4G15B[LCWEF4A58D** ]
  05年索兰托 手动 4驱电路图.. 起亚索兰托2005-G4JS[KNAJC52216** ]
  四驱电路图.. 现代 新胜达2012- G4KE 2.4L[KMHSH81BXC** ]
  无钥匙启动电路图.. 风神 奕炫 2021- DFMA15T [LGJE1EE07N** ]
  发动机维修手册.. 哈弗牌长城哈弗蓝标H6 17-11-4B15[LGWEF5A59H** ]
以下是 江淮 相关车型的客服问题,希望对您有帮助
  PEPS电路图和端子定义图.. 江淮 帅铃T8 2019 HFC4DB2-1D2 [LJ11PBBD0L**]
 远光灯继电器位置.. 江淮 瑞风和畅 2012 HFC4GA3-1D [LJ166A344C**]
 ABS泵电脑针脚图.. 江淮 和悦 2014 HFC4GB2.3C [LJ12FKS27E**]
 四驱电路图.. 江淮 瑞铃 2014 HFC4DA1-1C [LJ166ABC6F**]
 ABS定义.. 江淮 瑞风穿梭 2007 HFC4GA3-B [LJ16AA330A**]
 江淮M3plus安全气囊电路图.. 江淮 瑞风 M3 2022 HFC4GB2-4E [LJ166A332N**]
 升降器和遥控电路图.. 江淮 iEV5 2015 JEETZ200XS2072JH02(电动机) [LJ1EFKRP3F**]
 音响控制面板的线路图 .. 江淮 瑞风S7 2017 HFC4GC1.6D [LJ166A240H**]
 收音机插头接口定义.. 江淮 iEV5 2015 JEETZ200XS2072JH02(电动机) [LJ1EFKRP6F**]
 发动机前舱保险丝位置信息.. 江淮 瑞风 2008 HFC4GA3-C [LJ16AA337B**]
 组合继电器电路图.. 江淮 瑞风祥和 2011 HFC4GA1-C [LJ166A333F**]
 这个车的正时.. 江淮 帅铃 2016 D19TCID7 [LJ11PABDXH**]

Copyright @ 2009 www.car388.com All rights reserved. 蜀ICP备12014226号-2 增值电信增值业务许可证:川B2-20190647 服务电话:028-87038205 87039205 87020205 川公网安备 51010502010015号 公司地址:成都市龙泉驿区经开区南二路309号 鼎峰动力港 企业办公总部基地 12栋
2025-01-12.-.V25VHTML-2025-