[返回列表.]    [免费下载畅易手机版APP ]

用户 赵浩 **当前提问:仪表的电路图

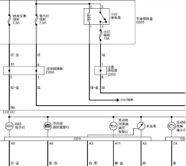
仪表的电路图

.尊敬的用户,欢迎你使用在线客服,你的问题客服人员已为你处理完毕,请下载附件,如有疑问,欢迎和我们联系!.2013年福田风景仪表电路图

附件:5682961159230.rar


用户 赵浩 ***其他客服问题:
test:
  后排座机中央通道拆装.. 奥迪A82013- CGW [WAURGB4H3D** ]
  直流充电系统电路图.. 江铃E200N2018-TZ190XD45[LVXMAZAA2J** ]
  前大灯电路图.. 菲亚特致悦2014- 343A0027 [LWVBA2064E** ]
  左侧接线盒说明.. 丰田 [埃尔法2018- 2GR-FE [JTNGK3DH5H** ]
  LIN线的所有电路图,A21模块位置和线路图走向.. 别克君越2015-LAF [LSGGF53W5F** ]
  车内照明灯端子图和实车对不上。平台上的都.. 广汽本田第八代雅阁2.0 自动 EX Navi 标准导航版2008-R20A3(2.0)[LHGCP168X9** ]
以下是福田汽车相关车型的客服问题,希望对您有帮助
 发动机电脑板电路图。..福田汽车快捷2.0 手动 短轴 2013 BJ491EQ4A(2.0) [lvcp2cva7c**]
 动力转向系统维修手册..福田汽车拓陆者 2017/2018/2019 ISF 2.8 [LVAV2MBB8G**]
 4驱系统电路图..福田汽车拓陆者驭途92.0T 手动 四驱尊享型长轴 2020 4F20TC(2.0) [LVAV2MAB0M**]
 OBD和通信电路图..福田汽车拓陆者E52.8T 手动 长轴 2017 4J28TC4(2.8) [LVAV2MBB7H**]
 麻烦帮忙查一下这个车后空调鼓风机线路图..福田汽车蒙派克E2.0 手动 财富快车经典版4G63 2014 4G63S4M(2.0) [lvcp2fvaxe**]
 CAN网络电路图..福田汽车时代M3 2020 . [.**]
 大灯,雨刮电路图..福田汽车大将军2.0T 自动 装甲大将军四驱休闲版尊享型标箱 2021 4G20TI5(2.0) [LVAV2MVB7L**]
 凸轮轴位置传感器的图..福田汽车风景G72.0 手动 长轴商运版厢货高顶6座 2017 4Q20M(2.0) [LVCB2NVA5H**]
 仪表的电路图..福田汽车快运2.5T 手动 标准型长轴高顶 2014 4J25TC(2.5) [LVCP2CBA9E**]
 空调电路图..福田汽车蒙派克2.0 手动 长轴 2014 4G63S4M(2.0) [LVCP2FVAXF**]
 帮我找一下这车的电源线路图还有保险盒位置..福田汽车蒙派克E2.5T 手动 财富快车舒适版简配 2014 4J25TC(2.5) [LVCP2CBA8G**]
 倒车雷达电路图。..福田汽车拓陆者E52.8T 手动 短轴 2015 4J28TC2(2.8) [LVAV2MBB3F**]

Copyright @ 2009 www.car388.com All rights reserved. 蜀ICP备12014226号-2 增值电信增值业务许可证:川B2-20190647 服务电话:028-87038205 87039205 87020205 川公网安备 51010502010015号 公司地址:成都市龙泉驿区经开区南二路309号 鼎峰动力港 企业办公总部基地 12栋
2025-01-12.-.V25VHTML-2025-