[返回列表.]    [免费下载畅易手机版APP ]

用户 wysxfa **当前提问:6-5-2-1这里面的F2电源是那里过来的 车

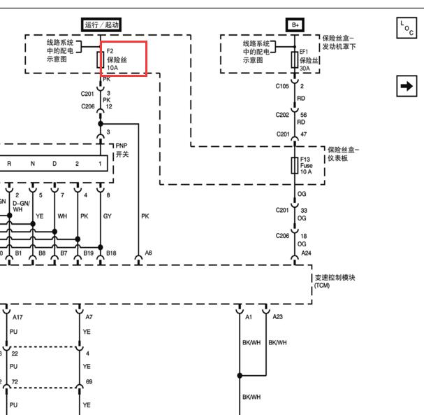
6-5-2-1这里面的F2电源是那里过来的 车上缺了这个电源 没有看出那里来的

.尊敬的用户,欢迎你使用在线客服,你的问题客服人员已为你处理完毕,请下载附件,如有疑问,欢迎和我们联系!.2010年别克凯越F2保险丝电路图

附件:34622549928630.zip


用户 wysxfa ***其他客服问题:
  维修手册和 全车电路图 车停久了 不会启动 .. 萨博 9-3 2008- B207L [YS3FF49Y08** ]
  气泵中控锁和气泵电路图.. 奔驰S 4302003-113 941[WDBNG70J35** ]
  新款昂科威胎压灯学习方法.. 别克昂科威14-eeer
  帮我查下这个空调系统电路图 主要空调控制.. 丰田皇冠2011-5GR-FE[LFMBEK4BDB** ]
  需要04年欧宝 全车线路图.. 欧宝威达2004年-Z32SE[W0LOZCF694** ]
  P023B-11,P01E6-17发动机故障码资料.. 捷豹 F-PACE 2018- PT204 [SADCA2BX4K** ]
以下是别克相关车型的客服问题,希望对您有帮助
 别克凯越46针ABS电路图..别克凯越 2007 1.6
 要的是发动机维修手册和电路图..别克凯越 2014 LDE
 空气流量计的线路图01SS..别克 GL8 陆尊 2006-2010 3.0L LZC [LSGUD82C4Z**]
 别克GL8风扇控制电路图..别克GL8 2008 LB8 [LSGDC82D88**]
 自动变速箱维修资料,维修手册s..别克林荫大道 2007 2.8L
 定速巡航电路图..别克GL8 2006 LZC [LSGUD82C48**]
 请问此车的电脑针脚功能图在哪里..别克凯越 08
 GL8陆上公务舱 2019年 前氧传感应器每条线电..别克GL8陆上公务舱 2019 LTG [LSGUA84L8K**]
 帮我找一下车身电脑,针脚图..别克昂克威 18 LFV [LSGXE8350J**]
 麻烦帮我发张12年科鲁兹后备箱开关电路图03SS..别克科鲁兹 2012 00
 制动压力传感器2电路图..别克GL8 2014 LAF
 别克方向盘转角传感器校准..别克PARKAVENUE(林荫大道) 全部年份 全系列 [全系列**]

Copyright @ 2009 www.car388.com All rights reserved. 蜀ICP备12014226号-2 增值电信增值业务许可证:川B2-20190647 服务电话:028-87038205 87039205 87020205 川公网安备 51010502010015号 公司地址:成都市龙泉驿区经开区南二路309号 鼎峰动力港 企业办公总部基地 12栋
2025-05-21.-.V28**VHTML-2025-V18-11-5---2-