[返回列表.]    [免费下载畅易手机版APP ]

用户 huhu **当前提问:海马福美来F7 需要ABS 和电子手刹线路

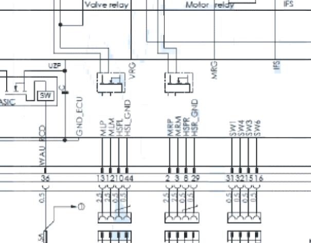
海马福美来F7 需要ABS 和电子手刹线路图 .系统里面拆卸ESP 里面的图模糊看不清

.尊敬的用户,欢迎你使用在线客服,客服已与您取得电话联系向您说明了该车主要是维修手册,原版ABS部分电路图就是模糊的。后台版本稍微清晰一些,您表示需要参考。你的问题客服人员已为你处理完毕,请下载附件,如有疑问,欢迎和我们联系!.2017年海马福美来F7 ABS电路图资料

附件:51702613586607.zip


用户 huhu ***其他客服问题:
  江淮瑞风S2波箱电脑完整电路图以及驾驶模式.. 安徽江淮汽车股份有限公司江淮瑞风s22016年03月-HFC7151EATV[LJ12EKR20G** ]
  防盗控制盒电路图.. 中华轿车骏捷2006-4G93[LSYYBADC47** ]
  菲亚特菲悦 变速箱电路图 谢谢.. 菲亚特菲悦2012 03-B
  需要发动机电路图。此车装的发动机电脑是 .. 长安SC6406AYA42014-JL473Q[LS4AAB3R6E** ]
  雷克萨斯sc430硬顶敞篷维修手册及电路图 .. 株洲汽车城雷克萨斯SC43005-3uzfe
  VOLVO V40 2.0排量 需要发动机系统电路图或者针.. 沃尔沃V402014-12-B5204T9[LYVDE63A8F** ]
以下是海马福美来相关车型的客服问题,希望对您有帮助
 18年海马福美来F7电路图有吗?ESP刹车系统的..海马F7 2018 1 [1**]
 发动机线路图..海马福美来323 2003 1.8 [LH17CHJF33**]
 麻烦找一下电源电路图..飞凡F7 2023 1 [LSJWM4098P**]
 海马福美来F7 需要ABS 和电子手刹线路图 .系..海马福美来F7 2017 HM474Q [LH16CKJ05H**]
 通讯网络图,车身电脑模块位置图..福美来F7 2017 HM474Q-T [LH16CKJ05H**]
 主驾电动窗线路图..飞凡汽车F7长续版 2023 TZ230XY1301(电动机)(电动) [LSJWM4098P**]
 空调系统维修手册..国内 长安汽车F70蓝鲸 2023/2024 . [.**]
 后雷达模块针脚定义..长城汽车F7x2.0T 双离合 两驱极智潮玩版 2021 GW4C20B(2.0) [LGWEF7A55L**]
 海马福美来F7电子手刹线路图..海马福美来F7海马 2017年 1 [LH16CKJ02H**]
 变速箱解体拆卸步骤..长城汽车F71.5T 双离合 两驱i秀 2019 GW4B15A(1.5) [LGWEF5A58K**]
 查不到玻璃升降控制线的那里过来的,只查到..长城F7 2019 1 [LGWEF5A52J**]
 针脚图..海马福美来四代一汽海马 2016 HM474Q [LH17CKBF3G**]

Copyright @ 2009 www.car388.com All rights reserved. 蜀ICP备12014226号-2 增值电信增值业务许可证:川B2-20190647 服务电话:028-87038205 87039205 87020205 川公网安备 51010502010015号 公司地址:成都市龙泉驿区经开区南二路309号 鼎峰动力港 企业办公总部基地 12栋
2025-05-20.-.V28**VHTML-2025-V18-11-5---2-